时间:2019-06-23 22:06:04
1、选择题  一太阳能电池板,测得它的开路电压为80mV,短路电流40mA.若将该电池板与一阻值为18Ω的电阻器连成一闭合电路,则它的路端电压是(  )
A.40mV
B.60mV
C.72mV
D.80mV
参考答案:电源没有接入外电路时,路端电压值等于电动势,则知电池板的电动势 E=80mV
由闭合电路欧姆定律得短路电流 I短=Er
则电源内阻 r=EI短=80×10-340×10-3Ω=2Ω
该电源与20Ω的电阻连成闭合电路时,电路中电流
 I=ER+r=8018+2mA=4mA
故路端电压 U=IR=4mA×18Ω=72mV,故C正确.
故选:C
本题解析:
本题难度:简单
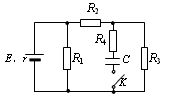
2、计算题  在如图所示的电路中,电源的电动势E=3.0V,内阻r=1.0Ω;电阻R1=10Ω,R2=10Ω,R3=30Ω,R4=35Ω;电容器的电容C=100μF。电容器原来不带电。求接通电键K后流过R4的总电量。
参考答案:解:由电阻的串联公式,得闭合电路的总电阻为R=
由欧姆定律得,通过电源的电流I=
电源的端电压U=E-Ir 
电阻R3两端的电压U"=
通过R4的总电量就是电容器的电量Q=CU"
由以上各式并代入数据得Q=2.0×10-4 C
本题解析:
本题难度:一般
3、选择题  关于电动势下列说法正确的是(  )
A.电源电动势等于电源正负极之间的电势差
B.用电压表直接测量电源两极得到的电压数值,实际上总略小于电源电动势的准确值
C.电源电动势总等于内、外电路上的电压之和,所以它的数值与外电路的组成有关
D.电源电动势总等于电路中通过1C的正电荷时,电源提供的能量
参考答案:A、电源电动势反映电源将其他形式能量转化为电能的本领大小,电源正、负极之间的电势差为电源的路端电压,只有当电源处于断路状态时,电源的电动势才等于路端电压,故A错误;
B、电压表是由内阻的,跟电源连接后构成一个通路,测量的是电压表内阻的电压,所以电压表测得的电源两极间电压值略小于电动势.故B正确.
C、电动势反映电源的特性,与外电路的结构无关,故C错误;
D、根据电动势的定义式E=Wq可知电源电动势总等于电路中通过1C的正电荷时,电源提供的能量,故D正确.
故选BD.
本题解析:
本题难度:一般
4、选择题  如图所示的 图象中,I是电源的路端电压随电流变化的图象,II是某电阻两端的电压随电流变化的图象,下列说法中正确的是(?)
图象中,I是电源的路端电压随电流变化的图象,II是某电阻两端的电压随电流变化的图象,下列说法中正确的是(?)
A.该电源的电动势为6V内阻为1
B.该电阻的阻值为1
C.当该电源向该电阻供电时电阻上消耗的功率为8W
D.当该电源向电阻供电时电源的效率为33.3%
参考答案:ACD
本题解析:I图中,截距表小电动势,斜率表示内阻,A正确。II图中,斜率表示电阻R,为0.5Ω,B错误。交点处为两者组成电路时的工作状态, ,C正确。
,C正确。 ,D正确。
,D正确。
本题难度:简单
5、选择题  关于电流,下列说法正确的是(?)
A.根据I=q/t可知,I与q成正比
B.如果在相等的时间内通过导体横截面的电荷量相等,则导体中的电流是恒定电流
C.电流有方向,因此电流是矢量
D.电流的单位“安培”是国际单位制中的基本单位
参考答案:D
本题解析:根据I=q/t可知,只有相同时间内,I与q成正比,A错误;电流有正、反方向,恒定电流不仅大小不变,方向也不变,B错误;电流尽管有方向但运算不满足平行四边形法则,是标量,C错误;国际单位制中电流的单位是“安培”,D正确。
本题难度:简单