时间:2019-06-23 21:59:05
1、实验题 电子感应加速器是利用变化磁场产生的电场来加速电子的,如图所示.在圆形磁铁的两极之间有一环形真空室,用交变电流励磁的电磁铁在两极间产生交变磁场,从而在环形室内产生很强的电场,使电子加速.被加速的电子同时在洛伦兹力的作用下沿圆形轨道运动,设法把高能电子引入靶室,能使其进一步加速.在一个半径为r="0.84" m的电子感应加速器中,电子在被加速的4.2×10-3 s时间内获得的能量为12 MeV,这期间电子轨道内的高频交变磁场是线性变化的,磁通量从零增到1.8 Wb.电子共绕行了__________周.
电子感应加速器结构原理图
参考答案:2.8×104
本题解析:环形室内的感应电动势
E=
=4.29×102 V
设电子在加速器中绕行了N周,则电场力做功NeE应该等于电子动能的增量,即
NeE=ΔEk=12×106×1.6×10-19 J
解得N=
=2.8×104(周).
本题难度:简单
2、选择题 一只氖管的起辉电压与交变电流u=50sin314t(V)的有效值相等,若将此交变电流接到氖管的两极,在一个周期内,氖管的发光时间为(?)。
A.0.02s
B.0.015s
C.0.01s
D.0.005s
参考答案:C
本题解析:氖管要想发光,应该超过
,因为交变电压瞬时值表达式为u=50sin314t(V),所以可知一个周期中有一半时间超过
,周期
,则氖管的发光时间为0.01s
故选C
本题难度:简单
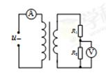
3、选择题 图中理想变压器的原、副线圈匝数之比为2∶1,电阻R1= R2=10Ω,电表
、
均为理想交流电表.若R1两端电压
(V),则下列说法正确的有( )
A.电压表示数为14.14V
B.电流表的示数为0.5 A
C.R1消耗的功率为20W
D.原线圈输入交流电频率为50Hz
参考答案:BD
本题解析:由图知,R1、 R2串联,电流相等,又R1= R2=10Ω,所以R1、 R2电压相等,所以电压表示数为10V,所以A错误;根据欧姆定律得R1、 R2的电流为I=1Ω,根据变流规律可得:原线圈电流为0.5A,所以B正确;R1消耗的功率为
,所以C错误;由R1两端电压
(V)知,
,解得f=50Hz,所以D正确。
考点:本题考查交流电、变压器
本题难度:一般
4、计算题 (15分)如图甲所示为一台小型发电机的示意图,单匝线圈逆时针转动。若从中性面开始计时,产生的电动势随时间的变化规律如图乙所示。已知发电机线圈内阻为1.0Ω,外接灯泡的电阻为9.0Ω。求:
(1)写出流经灯泡的瞬时电流的表达式;
(2)转动过程中穿过线圈的最大磁通量:
(3)线圈匀速转动一周的过程中,外力所做的功。
参考答案:(1)
(2)2.7×10-2W(3)
本题解析:⑴由图得
?(2分)
则电流
?(3分)
⑵Em=BSω?(1分)
Em=6
V?(1分)
ω=100π?(1分)
=2.7×10-2Wb?(2分)
⑶
?(2分)
?(3分)
本题考查交流电的形成和有效值,由图像可直接读出电压的峰值和周期,求出角速度之后根据瞬时值表达式求解,根据峰值Em=NBSw,磁通量最大值等于BS可求得最大的磁通量,由有效值和峰值关系可求得有效电压,再由焦耳热公式求解
本题难度:一般
5、选择题 一正弦式电流的电压随时间变化的规律如图8所示.由图可知? ( )
A.该交变电流的电压瞬时值的表达式为u=100sin(25t)V
B.该交变电流的频率为25 Hz
C.该交变电流的电压的有效值为100
V
D.若将该交流电压加在阻值为R=100 Ω的电阻两端,则电阻消耗的功率是50 W
参考答案:BD
本题解析:从图中可知,交变电流周期T=4×10-2 s,峰值电压Um=100 V,故交变电流的频率f=
=25 Hz,有效值U=
=50
?V.加在R=100 Ω的电阻上时的热功率P=
=50 W,瞬时值表达式u=Umsin
t=100sin(50πt) V,故正确选项为B、D.
本题难度:简单