时间:2019-06-23 21:21:47
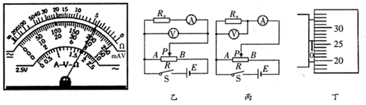
1、实验题 实验室新进了一批低电阻的电磁螺线管,课外活动小组的同学设计了一个实验来测算螺线管使用的金属丝长度(金属丝材料已知)。他们选择了多用电表、电流表、电压表、开关、滑动变阻器、螺旋测微器、导线和学生电源等。
①使用多用电表粗测金属丝的电阻,操作过程分以下三个步骤:
a.机械调零后,将红、黑表笔分别插入多用电表的“+"、“一”插孔,选择“×1”的电阻档;
b.______________________________(填写b步骤的操作);
c.把红、黑表笔分别与螺线管金属丝的两端相接,多用表的示数如图甲所示,测得金属丝电阻为____________
;
②利用电路更准确测量金属丝Rx石的电阻,为了减少实验误差,应选用____________(选填“乙”或“丙”)电路;?
③如图丁所示,使用螺旋测微器测得金属丝的直径为____________mm。
由以上测得的实验数据及查表得到的金属丝电阻率值,可测算出金属丝的长度。
2、实验题 有以下可供选用的器材及导线若干,要求使用个数最少的仪器尽可能精确地测量一个电流表的满偏电流.
A.待测电流表:满偏电流约700~800
A、内阻约l00
、刻度均匀、总格数为N.
B.电流表:量程0.6A、内阻0.1
.
C.电压表:量程3V、内阻3k
.
D.滑动变阻器:最大阻值200
.
E.电源:电动势3V、内阻1.5
.
F.开关一个.
(1)在虚线框内画出实验电路图,并在每个选用的仪器旁标上题目所给的字母序号.
(2)测量过程中测出多组数据,其中一组数据中待测电流表A的指针偏转了n格,可算出满偏电流
=___________,式中除N、n外,其他字母符号代表的物理量是____________
_______________________________.
3、实验题 如图所示是学生实验用的多用表刻度盘,当选用量程为25V的电压档测量电压时,表针指于图示位置,则所测电压为_____V;若选用倍率为“×100”的电阻档测电阻时,表针也指于同一位置,则所测电阻的阻值为_______Ω;用多用表测电阻所运用的原理是___________________________________.
4、实验题 (9分)在“测定金属的电阻率的”实验中,通过多用电表测得金属丝的阻值大约为100Ω。现有以下器材:
A.电源E,电动势约为4.5V,内阻忽略不计;
B.电流表A1,量程0~40mA,内阻RA1约为4Ω;
C.电流表A2,量程0~40mA,内阻RA2为4Ω;
D.电压表V,量程0~15V,内阻RV为15kΩ;
E.定值电阻R0,阻值为50Ω;
F.滑动变阻器R,最大阻值为10Ω;
G.单刀单掷开关K,导线若干。
(1)要精确测量金属丝的阻值Rx,除A、F、G还需要的仪器有?(填选项代号)
(2)要求测量中尽量减少误差,试在虚线框中画出测量电路图(图中的元件要用题中相应的英文字母标注);
(3)测量中某块电流表的读数为40 mA,若用到另一块电流表其读数为25mA,若用到电压表其读数为3V,则金属丝的阻值Rx=____________________。
5、实验题 图a中电源电动势为E,内阻可忽略不计;电流表具有一定的内阻,电压表的内阻不是无限大,S为单电阻。当S向电压表一侧闭合时,电压表读数为U1,电流表读数为I1;当S向R一侧闭合时,电流表读数为I2。
(1)根据已知条件与测量数据,可以得出待测电阻R=?。
?
(2)根据图a所给出的电路,在图b的各器件实物图之间画出连接的导线。