时间:2019-05-21 05:19:24
1、选择题 下图是半径为r的金属圆盘(电阻不计)在垂直于盘面的匀强磁场中绕O轴以角速度ω沿逆时针方向匀速转动,电阻R两端分别接盘心O和盘缘,则通过电阻的电流强度大小和方向是( )
A.
由d到c
B.
由d到c
C.
由c到d
D.
由c到d
2、选择题 物理学的基本原理在生产、生活中有着广泛的应用,下面列举的四种电器中,利用了电磁感应的是
A.电饭煲
B.微波炉
C.电磁炉
D.白炽灯泡
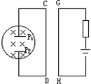
3、选择题 如图所示,连接平行金属板P1和P2(板面垂直于纸面)的导线的一部分CD和另一连接电池的回路的一部分GH平行,CD和GH均在纸面内,金属板置于磁场中,磁场方向垂直纸面向里.当一束等离子体射入两金属板之间时,CD段导线将受到力的作用( )
A.等离子体从右方射入时,CD受力的方向背离GH
B.等离子体从右方射入时,CD受力的方向指向GH
C.等离子体从左方射入时,CD受力的方向背离GH
D.等离子体从左方射入时,CD受力的方向不能确定
4、选择题 关于磁带录音机在录、放音过程中的主要工作原理,下列说法正确的是(?)
A.放音过程是电磁感应,录音过程是电流的磁效应
B.录音过程是电磁感应,放音过程是电流的磁效应
C.录、放音的过程都是电磁感应
D.录、放音的过程都是电流的磁效应
5、选择题 如图所示,铜质金属环从条形磁铁的正上方由静止开始下落,在下落过程中,下列判断中正确的是( )
A.金属环在下落过程中的机械能守恒
B.金属环在下落过程中动能的增加量小于其重力势能的减少量
C.金属环的机械能先减小后增大
D.磁铁对桌面的压力始终大于其自身的重力