时间:2019-05-21 04:52:47
1、选择题 下列各种说法中正确的是( ? )
A.电流的定义式I=q/t,适用于任何电荷的定向移动形成的电流
B.电源的负载增加,输出功率一定增大
C.电源的电动势越大,电源向外电路输出电能的效率越高
D.从R=U/I可知,导体中的电流减小到近似等于零时,导体的电阻将趋向无穷大
参考答案:A
本题解析:
本题难度:简单
2、选择题 关于电流,下列说法中正确的是( )
A.大小不随时间而改变的电流叫做恒定电流
B.电子运动的速率越大,电流越大
C.电流是一个矢量,其方向就是正电荷定向移动的方向
D.在国际单位制中,电流是一个基本物理量,其单位“安培”是基本单位
参考答案:D
本题解析:
本题难度:简单
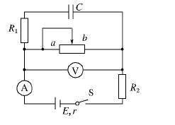
3、选择题 在如图的电路中电源电动势为E,内电阻为r.闭合开关S,待电流达到稳定后,电流表示数为I,电压表示数为U,电容器C所带电荷量为Q.现将滑动变阻器的滑动触头从图示位置向a端移动一些,待电流达到稳定后,则与移动前相比(? )
A.U变小
B.I变大
C.Q增大
D.Q减小
参考答案:C
本题解析:将滑动变阻器的滑动触头从图示位置向a端移动一些,则其阻值变大,回路总电阻变大,干路电流I变小,路端电压U升高,因此A?B错;电容器两端电压等于电压表示数,U变大,因此其带电量Q增大,C对D错.
本题难度:简单
4、选择题 关于电动势,下列说法中错误的是( ? )
A.电动势的单位是伏特
B.电动势大小等于没有接入外电路时电源两端的电压
C.电动势大小由电源本身性质决定
D.电动势的单位是焦耳
参考答案:D
本题解析:
本题难度:简单
5、填空题 电路中的电流强度I=0.4A.半分钟通过导线横截面的电子数为(电子电量为1.6×10-19C)______个.
参考答案:导体中通过的电荷量为
Q=It=0.4×30=12C.
通过的电子数为n=Qe=121.6×10-19=7.5×1019
故答案为:7.5×1019
本题解析:
本题难度:一般