时间:2019-03-16 02:06:02
1、选择题 如右图所示,电源电动势为3伏,电路接通后发现电灯L不工作,用一个伏特表分别测得各处电压值为:Uab=0,Ubc=3伏,U=cd=0,Uad=3伏,又知电路中只有一处出现故障,由此可知( )
A.灯L不发生断路或短路
B.电池组中两电池间发生断路
C.电阻R2一定发生短路
D.电阻R1一定发生断路
2、选择题 一太阳能电池板,测得它的开路电压为800mV,短路电流为40mA,若将该电池板与一阻值为20Ω的电阻器连成一闭合电路,则它的路端电压是( )
A.0.10V
B.0.20V
C.0.30V
D.0.40V
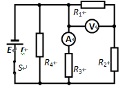
3、选择题 如图所示的电路中,电源内阻不能忽略,电流表和电压表均为理想电表,下列说法中正确的是
A.若R1短路,电流表示数变小,电压表示数为零
B.若R2短路,电流表示数变小,电压表示数变大
C.若R3断路,电流表示数为零,电压表示数变大
D.若R4断路,电流表示数变小,电压表示数变大
4、实验题 在“测定直流电动机的效率”实验中,用如图(a)所示的电路测定一个额定电压为6V、额定功率为3W的直流电动机的机械效率。 
(1)请根据图(a)完成图(b)中的实物图;
(2)实验中保持电动机两端电压U恒为6V,重物每次匀速上升的高度h均为1.5m,所测物理量及测量结果如下表所示:
计算电动机效率η的的表达式为______________(用题目中的符号表示),前4次实验中电动机工作效率的平均值为_______________。
(3)在第5 次实验中,电动机的输出功率是___________;可估算出电动机线圈的电阻为_______________Ω。
5、计算题 (12分)交流发电机转子是匝数n =100,边长L =20cm的正方形线圈,置于磁感应强度
的匀强磁场中,绕着垂直磁场方向的轴以ω=100π(rad/s)的角速度转动。当转到线圈平面与磁场方向垂直时开始计时 ,已知线圈的电阻r =1Ω,外电路电阻R =99Ω。试求:
(1)电动势的最大值Em ;
(2)交变电流的有效值I;
(3)外电阻R上消耗的功率PR