时间:2019-03-16 01:52:21
1、简答题 (1)下表为一个洗衣机所用电动机的工作参数.
| 名称 | 额定电压 (V) | 频率 (Hz) | 工作电流 (A) | 电阻 (Ω) | 转速 (r/min) 洗涤电 动机 ?220 50 0.5 20 1370 脱水电 动机 220 50 0.8 18 1370 |

参考答案:(1)从表中可想到工作电压是我们国家的民用交流电压;洗涤电动机的工作功率为P=UI=220×0.5W=110W,脱水电动机的工作功率为P′=U′I′=176W;用欧姆定律求出的电流I=UR=22020A=11A和工作电流0.5A是不同的,原因是欧姆定律适合纯电阻电路,而电动机主要是用来输出机械能的,不是用来发热的,不是纯电阻电路.
(2)从洗衣机洗涤为正、反转和停的时间程序图可知,停和转的时间分别为125s和775s,由洗涤做功
W洗=P洗?t=UIt=220×0.5×10-3×0.215kW?h≈0.0237kW?h
W脱=P脱?t=UIt=kW?h=0.0059kW?h
则W=W洗+W脱=0.0237kW?h+0.0059kW?h≈0.03kW?h
当洗涤和脱水同时操作时,就相当于两个用电器并联,
则流过插座的电流应为两个用电器单独使用时工作电流之和,故
I=I洗+I脱=(0.5+0.8)A=1.3A.
答:(2)洗涤一次衣服大约用电0.03kW?h,当洗涤和脱水同时操作时,流过电源插座的电流是1.3A.
本题解析:
本题难度:一般
2、简答题 某发电站的输出功率P=104kW,输出电压U1=4kV,通过理想变压器升压后向远处供电.已知输电导线的总电阻为R=10Ω,输电线路损失的功率为输出功率的4%,求变压器的匝数比.
参考答案:发电站的输出电流
I1=PU1=1074×103=2.5×103A?
输电线路损失的功率P损=I2R=4%P?
则I2=
本题解析:
本题难度:一般
3、填空题 如图是某一半导体器件的U-I图,将该器件与标有“9V,18W”的用电器串联后接入电动势为12V的电源两端,用电器恰能正常工作,此时电源的输出功率是______W;若将该器件与一个阻值为1.33Ω的电阻串联后接在此电源两端,则该器件消耗的电功率约为______W.
参考答案:由题意知,用电器恰能正常工作,其电压和功率分别为U=9V,P=18W,则
电路中电流为I=PU=2A
由图读出,当I=2A时,半导体器件的电压为U′=1V,
根据闭合电路欧姆定律得,电源的内阻为r=E-U-U′I=12-9-12Ω=1Ω
则电源的输出功率为P′=(E-Ir)I=10×2W=2W
若将该器件与一个阻值为1.33Ω的电阻串联后,相当于电源内阻为r′=2.33Ω,
则该器件两端的电压U=E-2.33I,画出图象如图所示:
由图可知,此时该器件的电压为5V,电流为3A
功率P=UI=15W
故答案为:20;15
本题解析:
本题难度:简单
4、计算题 如图,一直导体棒质量为m、长为l、电阻为r,其两端放在位于水平面内间距也为l的光滑平行导轨上,并与之密接;棒左侧两导轨之间连接一可控制的负载电阻(图中未画出);导轨置于匀强磁场中,磁场的磁感应强度大小为B,方向垂直于导轨所在平面。开始时,给导体棒一个平行于导轨的初速度v0,在棒的运动速度由v0减小至v1的过程中,通过控制负载电阻的阻值使棒中的电流强度I保持恒定。导体棒一直在磁场中运动。若不计导轨电阻,求此过程中导体棒上感应电动势的平均值和负载电阻上消耗的平均功率。
参考答案:解:导体棒所受的安培力为F=IlB ①
该力大小不变,棒做匀减速运动,因此在棒的速度从v0减小到v1的过程中,平均速度为
②
当棒的速度为v时,感应电动势的大小为E=lvB ③
棒中的平均感应电动势为
④
由②④得
⑤
导体棒中消耗的热功率为P1=I2r ⑥
负载电阻上消耗的平均功率为P2=
I-P1 ⑦
由⑤⑥⑦式得P2=
l(v0+v1)BI-I2r
本题解析:
本题难度:一般
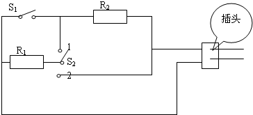
5、简答题 有下列器材:
A.两根完全相同的电热线(484Ω,2A);
B.一个单刀单掷开关S1;
C.一个单刀双掷开关S2;
D.导线若干和插头(可连接一般照明电路).用以上器材制作一电热器,请在图中完成上述器材的连接方式(图中仅给出了电热丝和插头,其它的器材均要求自己画).要求:在电路中尽可能地实现多温档调温功能,并计算每档的电功率是多少?
参考答案:要实现多功率输出,考虑两个电热丝串联、并联、短路一个三种情况,设计电路如图所示:
S1断开,S2接1:P1=2202484×2=50W
S1断开,S2接2:P2=2202484=100W
S1闭合,S2接2:P3=2202242=200W
答:电路如图所示,S1断开,S2接1:P1=2202484×2=50W;S1断开,S2接2:P2=2202484=100W;S1闭合,S2接2:P3=2202242=200W.
本题解析:
本题难度:一般