时间:2019-03-16 01:48:57
1、填空题 当光照射到光敏电阻上时,光敏电阻的阻值将______(选填“变大”、“变小”或“不变”).半导体热敏电阻是利用半导体材料的电阻率随温度升高而______(“减小”或“不变”)的特性制成的.
参考答案:光照射到光敏电阻上时,光敏电阻是半导体的,受到光的激发,会产生更多的自由电子,导电性增加,电阻变小;因为热敏电阻为半导体,所以表现的性能与金属导体很大差异,根据常识金属导体的电阻随温度变高而增大,而一般热敏电阻和金属导体相反.所以热敏电阻的阻值随着温度的升高而降低.
故答案为:变小;减小.
本题解析:
本题难度:一般
2、选择题 办公大楼的大门能“看到”人的到来或离开而自动开和关,利用了下面哪种传感器(?)?
A.声音传感器
B.红外传感器
C.温度传感器
D.压力传感器
参考答案:B
本题解析:办公大楼的大门能“看到”人的到来或离开而自动开和关,利用了红外传感器,选B
本题难度:简单
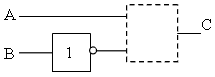
3、填空题 下图是由两个简单的门电路组成的逻辑电路,对应的真值表中x应为____________(填“1”或“0” ),虚线框应为____________门,在图上标出符号。
? 
参考答案:0,与,&
本题解析:
本题难度:简单
4、填空题 (6分)(1)图甲为斯密特触发器的符号,当加在它的输入端A的电压逐渐上升到某个值(1.6V)时,输出端Y会突然从高电平跳到低电平(0.25V),而当输入端A的电压下降到另一个值的时候(0.8V),Y会从低电平跳到高电平(3.4V)。由此可知,斯密特触发器是具有特殊功能的?(填“与门”、“或门”或“非门”)。
(2)如图乙、丙是某同学设计的两个电路图。图中R1是可调电阻,RT是热敏电阻,其阻值会随温度的升高而减小。回答下面问题:
①能作为温度报警器的电路图是?(填“乙”或“丙”)
②为使热敏电阻在感测到更高温度时才报警,应该调节R1,使其阻值?(填“增大”或“减小”)
参考答案:(1)非门(2)① 乙?② 减小
本题解析:(1)这是输入1,则输出0,输入0,则输出1,典型的非门电路。
(2)温度报警器应将热敏电阻连入电路,控制温度,故乙图为温度报警器的电路图。为使热敏电阻在感测到更高温度时才报警,应该调节R1,使其阻值减小,这时热敏电阻两端的电压就高,那么可以使得热敏电阻在更高的温度下才报警。
本题难度:一般
5、选择题 -个与非门电路的两个输入端M、N的波形如图?所示,则输出端Z的波形是图中的( )
A.
B.
C.
D.

参考答案:与门的特点:输入全是高电平,输出才是高电平;输入只要有一个低电平,输出为低电平.非门的特点:输入高电平,输出低电平,输入低电平,输出高电平.M、N为与非门的输入端,可知,两个输入端都是高电平,最终输出是低电平;输入端只要一个是低电平,输出端为高电平.所以A、B、C错误,D正确.
故选D.
本题解析:
本题难度:一般