时间:2019-03-16 01:41:27
1、选择题  一台发电机用0.5A电流向外输电,在1min内将240J的机械能转化为电能,则发电机的电动势为(  )
A.6V
B.480V
C.12V
D.8V
参考答案:设发电机的电动势为E,由题,电流I=0.5A,时间t=60s,产生的电能W=240J,则由电功公式W=EIt得
? 发电机的电动势E=WIt=2400.5×60V=8V
故选D
本题解析:
本题难度:简单
2、简答题  如图所示,A1和A2是两只不同的电流表,V1和V2是两只相同的电压表.电流表A1的示数是1.4mA,电压表V1和V2的示数分别是0.6V和0.8V,试求:
(1)电流表A2示数;
(2)电流表A2的内阻.
参考答案:(1)由于V1和V2两表相同,说明它们的内阻相同为R,
? U1=I1R,
? U2=I2R,
由题意知 I1+I2=1.4?mA
所以解得 I1=0.6?mA,即通过电流表A2的电流大小为0.6mA.
(2)电流表A2两端电压UA2=U2-U1=0.2?V,
所以RA2=UA2I1,
代入数据得 RA2=333.33Ω.
答:
(1)电流表A2示数为0.6mA;
(2)电流表A2的内阻为333.33Ω.
本题解析:
本题难度:一般
3、选择题  有两个电阻R1=1Ω、R2=3Ω,有一电源电动势E=3.0V,内阻r=1Ω,下列接法使电源的内电阻消耗功率最大的是( ?)
A.将R1、R2串联后接到电源两端
B.将R1、R2并联后接到电源两端
C.将R1单独接到电源两端
D.将R2单独接到电源两端
参考答案:B
本题解析:当整个电路的电阻最小时,电路中干路电流最大,电源的内电阻消耗功率最大,当两电阻并联时,总电阻最小,因此B选项正确
本题难度:一般
4、选择题  如图是火警报警装置的一部分电路示意图,其中R2是半导体
热敏传感器,它的阻值随温度升高而减小,当R2处发生火情时
A.电流表示数将变小
B.电流表示数将变大
C.a、b两点间电压变大
D.a、b两点间电压变小
参考答案:BD
本题解析:当R2处发生火情时,阻值随温度升高而减小,电流表示数变大;干路电流变大,a、b两点间电压变小。
本题难度:一般
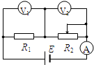
5、选择题  图中A为理想电流表,V1和V2为理想电压表,R1为定值电阻,R2为可变电阻,电源E内阻不计,则(  )
A.R2不变时,V2读数与A读数之比等于Rl
B.R2不变时,Vl表示数与A示数之比等于Rl
C.R2改变一定量时,V2读数的变化量与A读数的变化量之比的绝对值等于R1
D.R2改变一定量时,V1读数的变化量与A读数的变化量之比的绝对值等于R1
参考答案:A、R2不变时,V2读数与A读数之比等于R2.故A错误.
? B、R2不变时,Vl表示数与A示数之比等于Rl.故B正确.
? C、R2改变一定量时,设V2读数为U2,A读数为I,根据欧姆定律,U2=E-IR1,由数学知识可知,△U2△I大小等于R1.故C正确.
? D、设V1读数为U1,根据欧姆定律,U1=IR1,由数学知识可知,△U1△I大小等于R1.故D正确.
故选BCD
本题解析:
本题难度:简单