时间:2018-10-13 01:50:32
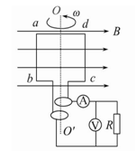
1、计算题 (16分)一个电阻为r、边长为L的正方形线圈abcd共N匝,线圈在磁感应强度为B的匀强磁场中绕垂直于磁感线的轴OO′以如图所示的角速度ω匀速转动,外电路电阻为R.
(1)在图中标出此刻线圈感应电流的方向.
(2)线圈转动过程中感应电动势的最大值有多大?
(3)线圈平面与磁感线夹角为60°时的感应电动势为多大?
(4)设发电机由柴油机带动,其他能量损失不计,线圈转一周,柴油机做多少功?
(5)从图示位置开始,线圈转过60°的过程中通过R的电量是多少?
(6)图中电流表和电压表的示数各是多少?
2、选择题 矩形线圈在匀强磁场中匀速转动产生的电动势如右图所示,则
A.t1时刻线圈通过中性面
B.t2时刻线圈中磁通量最大
C.t3时刻线圈中磁通量变化率最大
D.t4时刻线圈在磁通量变化率最大
3、选择题 如下图甲所示,理想变压器原/副线圈的匝数之比为10:1,B是原线圈的中心街头,原线圈输入电压如下图乙所示,副线圈电路中R1、R3为定值电阻,R2为NTC型热敏电阻(阻值随温度升高而减小),C为耐压值为70V的电容器,所有电表均为理想电表.下列说法判断正确的是(?)
A.当单刀双掷开关与A连接,传感器R2所在处温度升高,A1的示数变大,A2的示数减小
B.当单刀双掷开关于B连接,副线圈两端电压的频率变为25Hz
C.当单刀双掷开关由A→B时,电容器C不会被击穿
D.其他条件不变,单刀双掷开关由A→B时,变压器的输出功率变为原来的0.5倍
4、选择题 交流发电机在工作时电动势为
,若将电机的转速提高一倍,同时将线圈所围面积减小一半,其他条件不变,则其电动势变为? ( ? )
A.
B.
C.
D.
5、简答题 如图13-1-3所示,边长为a的单匝正方形线圈在磁感应强度为B的匀强磁场中,以OO′边为轴匀速运动,角速度为ω,转轴与磁场方向垂直,线圈电阻为R.求:
图13-1-3
(1)线圈从图示位置转过90°的过程中产生的热量;
(2)线圈从图示位置转过90°的过程中通过线圈某截面的电荷量q.