时间:2018-10-13 01:09:56
1、填空题 如图所示,电阻R两端的电压U随通过该电阻的电流I的变化曲线如图所示,电源电动势为7.0V(内阻不计),R1=1000Ω(不随温度变化)。现调节可变电阻R2的阻值,使电阻R与R1消耗的功率相等,此时通过R的电流为________mA;继续调节R2,使AB与BC间的电压相等,这时通过R的电流变为________mA。 
参考答案:3;15
本题解析:
本题难度:一般
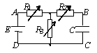
2、选择题 如图所示,R1和R2都是4W、100Ω的电阻,R3是1W、100Ω的电阻,A、B两端允许消耗的最大电功率是( )
A.1.5W B.3W C.9W D.
W
参考答案:A
本题解析:电阻R1的额定电压为
,额定电流为
;电阻R2的额定电压和额定电流与电阻R1相同;R1和R2串联部分的额定电流均为0.2A,故串联电路的额定电流为0.2A,而额定电压为2倍的20V,即40V;电阻R3的额定电压为
,额定电流为
;故总的额定电压取并联电路额定电压的较小值为10V;总电阻为:
故最大功率为:P=UI=1.5W,所以A正确;B、C、D错误。
考点:本题考查串并联电路、电功率、欧姆定律。
本题难度:一般
3、选择题 如图所示,电源内阻不计。为使电容器的带电量增大,可采取以下那些方法

[? ]
参考答案:CD
本题解析:
本题难度:一般
4、计算题 (8分)如图所示的电路中,R1=9Ω,R2=30Ω,S闭合时,电压表V的示数为11.4V,电流表A的示数为0.2A,S断开时,电流表A的示数为0.3A,求:
(1)电阻R3的值;
(2)电源电动势E和内阻r的值。
参考答案:(1)
?(4分)(2)
V,
(4分 )
本题解析:(1)由题意得U2=0.2
,对电阻R1得到U1=U-U2=11.4-6=5.4V,
,
,
.
(2)由题意得:E=11.4+0.6r? E=0.3
?两式联立解得
V,
。
点评:本题要求学生熟练掌握串并联电路的电流、电压、电阻关系,能熟练运用闭合电路的欧姆定律的表达式。
本题难度:一般
5、选择题 如图所示,电动势为E、内阻不计的电源与三个灯泡和三个电阻相接。只合上开关S1,三个灯泡都能正常工作。如果再合上S2,则下列表述正确的是

[? ]
参考答案:C
本题解析:
本题难度:一般