时间:2018-10-13 00:52:18
1、选择题 图甲为理想变压器,其原、副线圈的匝数比为4
2、选择题 如图所示,理想变压器原副线圈匝数比n1:n2=4:1,当导体棒向ab右匀速切割磁感线时,电流表A1的读数为2mA,则副线圈中电流表A2的读数为( )
A.3mA
B.8mA
C.0
D.与R阻值有关
3、选择题 如右图甲所示,在闭合的铁芯上绕着两个线圈,两个线圈的匝数比n1∶n2=1∶3。a、b两端加上如右图乙所示的交流电;c、d两端接一个可变电阻R。下列说法正确的是?(?)
A.c、d两端电压的有效值是933V
B.通过电阻R的电流频率是150Hz
C.减小电阻R的阻值,a、b两端的输入电流将变小
D.减小电阻R的阻值,a、b两端的输入功率将增大
4、选择题 理想变压器原、副线圈匝数之比为n1:n2=20:1,这个变压器正常工作时( )
A.原、副线圈电压之比为U1:U2=20:1
B.原、副线圈电流之比为I1:I2=20:1
C.输入功率和输出功率之比为P1:P2=20:1
D.副线圈的负载增多时,原线圈电流I1变小
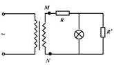
5、选择题 如图所示,理想变压器的输入端接正弦交流电,副线圈上接有定值电阻R、灯泡、以及光敏电阻R’。开始时,没有光照。当光敏电阻被光照射后,下列说法正确的是(?)
A.副线圈的两端M、N的输出电压减小
B.副线圈上定值电阻R上的电压增大
C.通过灯泡的电流增大
D.原线圈中的电流增大