时间:2018-10-13 00:36:52
1、选择题 如图所示,一根长导线弯曲成“п”,通以直流电I,正中间用绝缘线悬挂一金属环C,环与导线处于同一竖直平面内,在电流I增大的过程中,下列叙述正确的是(
A.金属环中无感应电流产生
B.金属环中有逆时针方向的感应电流
C.悬挂金属环C的竖直线中拉力变大
D.金属环C一定仍保持静止状态
参考答案:根据安培定则知,弯曲成“п”导线中电流的磁场方向为:垂直纸面向里,且大小增加.由楞次定律可知,感应电流的方向为逆时针,根据左手定则可知,安培力的方向指向圆心,由于弯曲成是“п”导线,所以金属环下边14圆弧没有安培力,因此导致挂环的拉力增大,但环仍处于静止状态,故BCD正确,A错误,
故选BCD.
本题解析:
本题难度:一般
2、选择题 如图所示,两根无限长的平行导线水平放置,两导线中均通以向右的、大小等的恒定电流I,图中的A点与两导线共面,且到两导线的距离相等.则这两根通电导线在该点产生的磁场的磁感应强度的合矢量( )
A.方向水平向右
B.方向水平向左
C.大小一定为零
D.大小一定不为零
参考答案:A、根据右手螺旋法则,导线周围的磁场的磁感线,是围绕导线形成的同心圆,由于两个导线通过的电流是大小相等,方向相同的,
A为中垂线上的点,上边在A点的磁场方向都向里 下边电流在A点的磁场方向都向外.所以该点的两个磁场大小相同方向相反.所以两根导线在A点产生的磁感应强度相互抵消,磁感应强度为零,故C选项正确.
故选:C.
本题解析:
本题难度:简单
3、选择题 19世纪20年代,以赛贝克(数学家)为代表的科学家已认识到温度差会引起电流.安培考虑到在太阳照射下自转的地球正面和背面存在温度差,从而认为地球磁场是绕地球的环形电流引起的.则该假设中的电流方向是(?)
A.由西向东垂直磁子午线
B.由东向西垂直磁子午线
C.由南向北沿磁子午线
D.由赤道向两极沿磁子午线
(注:磁子午线是地球磁场N极与S极在地球表面的连线)
参考答案:B
本题解析:地理南极为地磁场的N极,由安培定则知必须由东到西的电流形成.
本题难度:简单
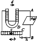
4、选择题 如图,直导线AB、螺线管C、电磁铁D三者相距较远,它们的磁场互不影响,当开关S闭合稳定后,则图中小磁针的北极N(黑色的一端)指示出磁场方向正确的是( )
A.a
B.b
C.c
D.d
参考答案:由右手螺旋定则可知,直导线AB的磁场方向(从上往下看)逆时针,根据小磁针的静止时,N极的指向即为磁场的方向,则有a磁针方向错误;
而通电螺线管左端为S极,右端为N极,因此c磁针方向错误;通电螺线管下边的磁场的方向从N极指向S极,所以b磁针的方向正确;
对于U形螺线管左端相当于N极,右端相当于S极,故d磁针的方向错误,
故选:B
本题解析:
本题难度:简单
5、填空题 现有一U型磁铁放在粗糙的水平地面上,当在U型磁铁的正上方用一只轻弹簧悬挂一根通电直导线,当突然通有如图所示方向的电流时,从上向下看,通电直导线运动的情况是______:
地面给U型磁铁的支持力将:______.
参考答案:由于导线左右两部分处在的磁场方向不同,可采用电流元法,即将直导线分为左右两部分处理,根据左手定则,判断出图示位置导线左部所受安培力向外,右部向内;又考虑特殊位置:导线转过90°时,安培力向下.则俯视,导线在安培力作用下,逆时针方向旋转的同时向下运动,根据牛顿第三定律,磁铁受到的安培力向上,则地面对磁铁的支持力减小的.
故答案为:逆时针方向旋转的同时向下运动,减小
本题解析:
本题难度:简单