时间:2018-10-13 00:28:52
1、选择题 直流电路如图所示,在滑动变阻器的滑片P向右移动时,电源的( )
A.总功率一定减小
B.效率一定增大
C.内部损耗功率一定减小
D.输出功率一定先增大后减小
2、选择题 如图所示,要使电阻R1消耗的功率最大,应该把电阻R2的阻值调节到 
[? ]
A.R2=R1+r
B.R2=R1-r
C.R2=r
D.R2=0
3、简答题 如图所示,由粗细相同的导线制成的正方形线框边长为L,每条边的电阻均为R,其中ab边材料的密度较大,其质量为m,其余各边的质量均可忽略不计,线框可绕与cd边重合的水平轴OO′自由转动,不计空气阻力和摩擦,若线框从水平位置由静止释放,经历时间t到达竖直位置,此时ab边的速度大小为v,若线框始终处于方向竖直向下、磁感应强度为B的匀强磁场中,重力加速度为g.求:
(1)线框至竖直位置时,ab边两端的电压及所受安培力的大小.
(2)在这一过程中,线框中感应电流做的功及感应电动势的有效值.
(3)在这一过程中,通过线框导线横截面的电荷量.
4、选择题 如图所示,R1、R2为定值电阻,L为小灯泡,R3为光敏电阻,当照射光强度增大时
[? ]
A.电压表的示数增大
B.R2中电流强度减小
C.小灯泡的功率增大
D.电路的路端电压降低
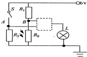
5、简答题 如图所示是一种应用逻辑电路制作的简易走道灯电路图,R0是一个光敏电阻,当走道里光线较暗时或是将手动开关S接通时,灯都会亮.则在电路图的虚线框内的门电路应是______门,当有光照到光敏电阻上R0时,门电路的输入端B是______电势.