时间:2018-10-13 00:19:08
1、选择题  为了增大LC振荡电路的固有频率,下列方法中可采取的是(  )
A.增大电容器两极板间的正对面积并在线圈中放入铁芯
B.减小电容器两极板的距离并增加线圈的匝数
C.减小电容器两极板的正对面积并减小线圈的匝数
D.减小电容器两极板的距离并在线圈中放入铁芯
2、选择题  某电学黑箱内有定值电阻、电容器、电感线圈,在接线柱间以如图甲所示的“Z”字形连接(两接线柱间只有一个元件)。为了确定各元件的种类,一同学把DIS计算机辅助实验系统中的电流传感器(相当于电流表)与一直流电源、滑动变阻器、电阻串联,如图乙所示,然后分别将AB、BC、CD接入电路,闭合电键,计算机显示出的电流随时间变化的图象分别如图丙(a)、(b)、(c)所示,则下列说法正确的是
[? ]
A.AB间是电容器,BC间是电感线圈,CD间是定值电阻 
B.AB间是电容器,BC间是定值电阻,CD间是电感线圈
C.AB间是电感线圈,BC间是电容器,CD间是定值电阻 
D.AB间是电感线圈,BC间是定值电阻,CD间是电容器 
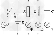
3、选择题  如图所示,三个灯泡是相同的,而且耐压足够,电源内阻、电感线圈内阻忽略.当单刀双掷开关S接A时,三个灯泡亮度相同,那么S接B时? 
[? ]
A.三个灯泡亮度相同 ?
B.甲灯最亮,丙灯不亮 ?
C.甲灯和乙灯亮度相同,丙灯不亮 ?
D.只有丙灯不亮,乙灯最亮
4、选择题  如图所示,白炽灯和电容器串联后接在交变电源的两端,交变电源的有效电压不变,当交变电源的频率增加时(  )
A.电容器电容增大
B.电容器电容减小
C.白炽灯变亮
D.白炽灯变暗
5、选择题  如图5所示,把电阻R,电感线圈L,电容C并联,接到一个交流电源上,三个电流表示数相同,若保持电源电压大小不变,而将电源频率增大,则三个电流表示数I1、I2、I3的关系是(    )。
A.I1=I2=I3
B.I1>I2>I3
C.I2>I1>I3 
D.I3>I1>I2