高中物理知识点复习《动能定理及应用》试题巩固(2018年最新版)(八)

时间:2018-10-13 00:16:08

微信搜索关注"91考试网"公众号,领30元,获取事业编教师公务员等考试资料40G

1、选择题  一个电子在静电场中运动,且只受电场力作用,则在一段时间内(  )
A.电子的动量大小一定增大
B.电子的动能可能减小
C.电子的速率一定减小
D.电子一定作匀变速运动


参考答案:电子在电场力作用下,当电场力与速度夹角小于90°时,速率则增大,动能会增大;当电场力与速度夹角大于90°时,速率则减小,动能会减小;当电场力与速度夹角等于90°时,若是匀强电场,则电子做类平抛运动,电子的速率越来越大,若是正点电荷的电场,则电子做匀速圆周运动;电子的动量由质量与速度决定,且是矢量,方向与速度方向相同;故A、C、D均错误;B正确;
故选:B


本题解析:


本题难度:简单



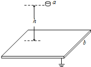
2、简答题  如图所示,某空间有一竖直向下的匀强电场,电场强度E=1.0×102V/m,一块足够大的接地金属板水平放置在匀强电场中,在金属板的正上方高度h=0.80m的a处有一粒子源,盒内粒子以v0=2.0×102m/s的初速度向水平面以下的各个方向均匀释放质量为m=2.0×10-15kg,电荷量为q=+10-12C的带电粒子,粒子最终落在金属板b上.若不计粒子重力,求:(结果保留两位有效数字)dysz
(1)粒子源所在处a点的电势;
(2)带电粒子打在金属板上时的动能;
(3)从粒子源射出的粒子打在金属板上的范围(所形成的面积);若使带电粒子打在金属板上的范围减小,可以通过改变哪些物理量来实现?91考试网


参考答案:


本题解析:


本题难度:一般



3、选择题  游乐场中的一种滑梯如图所示.小朋友从轨道顶端由静止开始下滑,沿水平轨道滑动了一段距离后停下来,则(  )
A.下滑过程中支持力对小朋友做功
B.下滑过程中小朋友的重力势能增加
C.整个运动过程中小朋友的机械能守恒
D.在水平面滑动过程中摩擦力对小朋友做负功
91考试网


参考答案:A、下滑过程中小朋友在支持力方向没有发生位移,支持力不做功.故A错误.
? B、下滑过程中,小朋友高度下降,重力做正功,其重力势能减小.故B错误.
? C、整个运动过程中,摩擦力做功,小朋友的机械能减小,转化为内能.故C错误.
? D、在水平面滑动过程中,摩擦力方向与位移方向相反,摩擦力对小朋友做负功,故D正确.
故选D


本题解析:


本题难度:简单



4、选择题  2008年北京奥运会和2010年上海世博会成为我同展示新能源汽车的舞台,这两项大型的活动全部采用“零排放”车辆,为国内进一步推广汽车新能源、增强汽车环保节能意识提供良好机遇。自动充电式电动汽车就是很好的一例。将电动汽车的前轮装有发电机,发电机与蓄电池连接。当电动汽车自动滑行时,汽车就可以连通发电机蓄电池充电,将其他形式的能转化成电能储存来,现有一电动小汽车以5×104 J的初动能在粗糙的水平面上滑行,第一次关闭自动装置,让车自由滑行,其动能随位移变化关系如图线①所示;第二次启动自动充电装置,其动能随位移变化关系如图线②所示,(两种情况下电动小汽车受到的阻力不变)则

[? ]
A.电动小汽车受到的阻力为1 000N
B.电动小汽车受到的阻力为500 N
C.第二次向蓄电池所充的电能是2×104 J
D.笫二次向蓄电池所充的电能是1.0×104 J


参考答案:AC


本题解析:


本题难度:一般



5、简答题  如图,半径R=0.8m的四分之一光滑圆弧轨道位于竖直平面内,与长CD=2.0m的绝缘水平面平滑连接,水平面右侧空间存在互相垂直的匀强电场和匀强磁场,电场强度E=40

N
C
,方向竖直向上,磁场的磁感应强度B=1.0T,方向垂直纸面向外.两个质量均为m=2.0×10-6kg的小球a和b,a球不带电,b球带q=1.0×10-6C的正电并静止于水平面右边缘处.将a球从圆弧轨道项端由静止释放,运动到D点与b球发生正碰,碰撞时间极短,碰后两球粘合在一起飞入复合场中,最后落在地面上的P点,已知小球a在水平面上运动时所受的摩擦阻力f=0.1mg,PN=
3
ND,取g=10m/s2.a、b均可作为质点.求
(1)小球a与b相碰后瞬间速度的大小v;
(2)水平面离地面的高度h;
(3)从小球a开始释放到落地前瞬间的整个运动过程中,ab系统损失的机械能△E.91考试网


参考答案:
91考试网
(1)设a球到D点时的速度为vD,从释放至D点,根据动能定理:
mgR-0.1mg×CD=12mv2D?
对a、b球,根据动量守恒定律?mvD=2mv
解得:v=


本题解析:


本题难度:一般




首页 上页 7 8 9 下页 尾页 8/10/10
微信搜索关注"91考试网"公众号,领30元,获取公务员事业编教师考试资料40G
【省市县地区导航】【考试题库导航】
 ★ 高考省级导航 ★ 
全国 A安徽 B北京 C重庆 F福建 G广东 广西 甘肃 贵州 H河南 河北 湖南 湖北 黑龙江 海南 J江苏 江西 吉林 L辽宁 N内蒙古 宁夏 Q青海 S山东 山西 陕西 四川 上海 T天津 X新疆 西藏 Y云南 Z浙江
 ★ 高考信息汇总 ★ 
 ★ 高考历年真题 ★ 
 ★ 高考历年真题 ★ 
 ★ 高考题库 ★ 
 ★ 高考题库 ★ 

电脑版  |  手机版  |  返回顶部