时间:2018-10-13 00:12:18
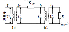
1、选择题 如图是某小型发电站的电能输送示意图,变压器均为理想变压器,并标示了电流、电压和变压器的匝数比,R线表示输电线等效电阻,则
A.
,
B.
,
C.
D.
2、填空题 一台理想变压器,其原线圈2200匝,副线圈440匝,并接一个100Ω的负载电阻,如图所示。
(1)当原线圈接在44V直流电源上时,电压表示数为____V,电流表示数为____A;
(2)当原线圈接在220V交流电源上时,电压表示数为____V,电流表示数为____A,此时输入功率为 ____W,变压器效率为____。
3、选择题 如图4所示,原、副线圈匝数比为2∶1的理想变压器正常工作时
A.原、副线圈磁通量之比为2∶1
B.原、副线圈电流之比为1∶2
C.输入功率和输出功率之比为1∶1
D.原、副线圈磁通量变化率之比为2∶1
4、选择题 如图甲所示,理想变压器原、副线圈的匝数比为10:1,R1=10Ω,R2=20Ω,C为电容器,已知通过R2的正弦式电流如图乙所示,则( )
A.交变电流的频率为100Hz
B.原线圈输入电压的最大值为100V
C.电阻R1的电功率约为20W
D.通过R3的电流始终为零
5、选择题 霓虹灯的激发电压和熄灭电压均为U0=50V,现有一正弦交流电源U=20sin10tV.为了使霓虹灯能够正常工作利用一个升压变压器,匝数比为1:5,如图所示,则下列说法正确的是?(?)
A.电压表读数为100V
B.霓虹灯在1秒钟内闪亮100次
C.霓虹灯闪亮一次持续时间为0.005秒
D.霓虹灯两端的交流电压的有效值为50V