时间:2018-10-11 01:32:58
1、选择题
如图甲所示,变压器原副线圈的匝数比为3:1,L1、L2、L3、L4为四只规格均为“9V,6W”的相同灯泡,各电表均为理想交流电表,若灯泡L2正常发光。则以下说法中错误的是
乙参考答案:C
本题解析:
本题难度:一般
2、选择题 如图所示,一自耦变压器(可看做理想变压器)输入端AB间加一正弦式交流电压,在输出端CD间接灯泡和滑动变阻器。转动滑片P可以改变副线圈的匝数,移动滑片Q可以改变接入电路电阻的阻值。则
[? ]
A.只将P顺时针转动,灯泡变亮
B.只将P逆时针转动,灯泡变亮
C.只将Q向上移动,灯泡变亮
D.只将Q向下移动,灯泡变亮
参考答案:B
本题解析:
本题难度:一般
3、选择题 在家用交流稳压器中,变压器的原、副线圈都带有滑动头,如图所示.当变压器输入电压发生变化时,可上下调节P1、P2的位置,使输出电压稳定在220 V上.现发现输出电压低于220 V,下列措施正确的是
[? ]
A.P1不动,将P2向上移
B.P2不动,将P1向下移
C.将P1向上移,同时P2向下移
D.将P1向下移,同时P2向上移
参考答案:ABD
本题解析:
本题难度:简单
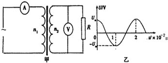
4、选择题 正弦交变电源经过匝数比为10:1的变压器与电阻R、交流电压表、交流电流表按如图甲所示方式连接,R=10Ω.图乙是R两端电压U随时间变化的图象.Um=10
| 2 |

| 2 |
10 |
| 2 |
| 2 |
参考答案:A、正弦式电流且电阻R的Um=10
本题解析:
本题难度:一般
5、选择题 如图,一理想变压器原副线圈的匝数比为1:2;副线圈电路中接有灯泡,灯泡的额定电压为220V,额定功率为22W;原线圈电路中接有电压表和电流表.现闭合开关,灯泡正常发光.若用U和I分别表示此时电压表和电流表的读数,则( )
A.U=110V,I=0.2A
B.U=110V,I=0.05A
C.U=110
| 2 |
| 2 |
| 2 |

参考答案:灯泡正常发光说明副线圈的电压为220V,电流为22220=0.1A,根据电压、电流与匝数的关系知,原线圈中电压为12×220=110V,电流为21×0.1=0.2A,A正确.
故选A
本题解析:
本题难度:简单