时间:2018-10-11 01:00:23
1、选择题 某学生设计了一个验证法拉第电磁感应定律的实验,实验装置如图甲所示。在大线圈Ⅰ中放置一个小线圈Ⅱ,大线圈Ⅰ与多功能电源连接。多功能电源输入到大线圈Ⅰ的电流i1的周期为T,且按图乙所示的规律变化,电流i1将在大线圈Ⅰ的内部产生变化的磁场,该磁场磁感应强度B与线圈中电流i的关系为B=ki1(其中k为常数)。小线圈Ⅱ与电流传感器连接,并可通过计算机处理数据后绘制出小线圈Ⅱ中感应电流i2随时间t变化的图象。若仅将多功能电源输出电流变化的频率适当增大,则图丙所示各图象中可能正确反映i2-t图象变化的是(图丙中分别以实线和虚线表示调整前、后的i2-t图象) 

2、选择题 如图所示,两固定的竖直光滑金属导轨足够长且电阻不计。绝缘轻绳一端固定,另一端系于导体棒a的中点,轻绳保持竖直。将导体棒b由边界水平的匀强磁场上方某一高度处静止释放。匀强磁场的宽度一定,方向与导轨平面垂直,两导体棒电阻均为R且与导轨始终保持良好接触。下列说法正确的是
A.b进入磁场后,a中的电流方向向左
B.b进入磁场后,轻绳对a的拉力增大
C.b进入磁场后,重力做功的瞬时功率可能增大
D.b由静止释放到穿出磁场的过程中,a中产生的焦耳热等于b减少的机械能
3、选择题 穿过某线圈的磁通量随时间变化的Φ-t图象,如图所示,下面几段时间内,产生感应电动势最大的是①0-5s?②5-10s?③10-12s?④12-15s?
[? ]
A.①②?
B.②③?
C.③④?
D.④
4、选择题 如图所示,一个闭合矩形金属线圈abcd从一定高度释放,且在下落过程中线圈平面始终在竖直平面上;在它进入一个有直线边界的足够大的匀强磁场的过程中,取线圈dc边刚进磁场时t=0,则描述其运动情况的图线可能是下图中的( )
A.
B.
C.
D.

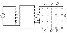
5、选择题 如图所示,变压器右端线圈连接的平行金属导轨置于匀强磁场中,金属棒L在导轨上以OO′为平衡位置作简谐振动,其中CC′,DD′为运动的最大位移处。那么,当金属棒L处于下述哪一位置时,通过电流表的电流有最大值(?)
A.CC′
B. OO′
C.DD′
D.不在上述位置