时间:2018-10-11 00:32:58
1、选择题 两段相同的电阻丝串联后接到电源上,在lmin内产生4J热量,若把它们并联到同一电源上,lmin产生热量为( )
A.8J
B.4J
C.16J
D.1J
2、计算题 如图所示是利用电动机提升重物的示意图,其中D是直流电动机。p是一个质量为m的重物,它用细绳拴在电动机的轴上。闭合开关s,重物p以速度v匀速上升,这时理想电流表和理想电压表的示数分别是I=5.0A和U=110V,重物p上升的速度v=0.70m/s。已知该装置机械部分的机械效率为70%,重物的质量m=45kg(g取10m/s2)。求:
(1)电动机消耗的电功率P电;
(2)绳对重物做功的机械功率P机;
(3)电动机线圈的电阻R。 
3、选择题 电动自行车具有低噪声、无废气、无油污的环保性,而且它的能源利用率很高。下表为某品牌电动自行车规格及所用电动机的主要技术参数,不计其自身机械损耗。若该车在额定状态下以最大运行速度行驶,则( )
| 自 重 | 40(kg) | 额定电压 | 48(V)[来源:Z§xx§k.Com] | |
| 载 重 | 75(kg) | 12(A) | ||
| 最大运行速度 | 20(km/h) | 额定输出功率 | 350(W) |
4、选择题 如图所示的电路中,R1、R2、R3、R4四个电阻的阻值分别为r、r、2r、2r,它们所消耗的电功率分别为P1、P2、P3、P4,则( )
A.P4=P3>P1=P2
B.P1<P2<P4<P3
C.P4>P1>P2>P3
D.P3<P2<P1<P4
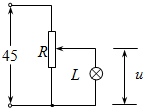
5、简答题 用电压恒为45V的电源给一个变光灯供电,变光灯中的灯泡的额定电压也是45V,其电阻恒为20Ω.变光灯中的调光电路如右图所示.欲使在调节灯泡亮度的过程中灯泡两端的电压u降低到30V时整个电路的效率仍不低于60%.则:
(1)滑动变阻器R的阻值至少应取多大?
(2)此时这个滑动变阻器至少应当允许通过多大的电流?
(3)这个电路的最高效率可达多少?