时间:2018-10-11 00:02:40
1、选择题 如图,空间某区域中有一匀强磁场,磁感应强度方向水平,且垂直于纸面向里,磁场上边界b?和下边界d水平.在竖直面内有一矩形金属统一加线圈,线圈上下边的距离很短,下边水平.线圈从水平面a开始下落.已知磁场上下边界之间的距离大于水平面a、b之间的距离.若线圈下边刚通过水平面b、c(位于磁场中)和d时,线圈所受到的磁场力的大小分别为Fb、Fc和Fd,则( )
A.Fd>Fc>Fb
B.Fc<Fd<Fb
C.Fc>Fb>Fd
D.Fc<Fb<Fd
2、选择题
如图(甲)所示,两平行导轨与水平面成θ角倾斜放置,电源、 电阻、金属细杆及导轨组成闭合回路,细杆与导轨间的摩擦不计。整个装置分别处在如图所示的匀强磁场中,其中可能使金属细杆处于静止状态的是
A.
B.
C.
D.
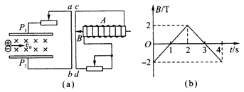
3、选择题 等离子气流由左方连续以v0射入P1和P2两板间的匀强磁场中,ab直导线与P1、P2相连接,线圈A与直导线cd连接。线圈A内有如图(b)所示的变化磁场,且磁场B的正方向规定为向左,如图(a)所示,则下列叙述正确的是
[? ]
A.0~1 s内ab,cd导线互相排斥
B.1~2 s内ab,cd导线互相吸引
C.2~3 s内ab,cd导线互相吸引
D.3~4 s内ab,cd导线互相排斥
4、选择题 一矩形铜质线框置于如图所示的磁场中,如果把矩形铜质线框从磁场中拉出或进一步推入,下列关于线框所受磁场力的说法中,正确的是( )
A.拉出时是动力
B.推入时是阻力
C.拉出时不受磁场力
D.推入时不受磁场力
5、选择题 如图,两根相互平行的长直导线分别通有方向相反的电流I1和I2,且I1>I2;a、b、c、d为导线某一横截面所在平面内的四点,且a、b、c与两导线共面;b点在两导线之间,b、d的连线与导线所在平面垂直.磁感应强度可能为零的点是( )
A.a点
B.b点
C.c点
D.d点