时间:2018-10-10 23:57:33
1、选择题 理想变压器原、副线圈的匝数比为10:1。原线圈输入电压的变化规律如图甲所示,副线圈所接电路如图乙所示,P为滑动变阻器R的滑动片。下列说法正确的是

[? ]
2、简答题 有一理想变压器,原、副线圈的匝数比为100∶1,原线圈上所加电压为23 kV,副线圈通过总电阻为2 Ω的输电导线向用户供电,用户得到220 V的电压,求输电导线上损失的功率.
3、选择题 如图所示,甲图中为一理想变压器,乙图是输出电压U2的图象,已知变压器原、副线圈的匝数比为10:1,电流表的示数为2.0A,则( )
A.电压表V1的示数为220V
B.电压表V2的示数为20V
C.变压器副线圈中电流方向在1s内改变100次
D.灯泡实际消耗功率为40W
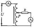
4、选择题 如图所示,为一自耦变压器的电路图,其特点是铁芯上只绕有一个线圈。把整个线圈作为原线圈,而取线圈的一部分作为副线圈。原线圈接在电压恒为
的正弦交流电源上,电流表Al、A2均为理想电表。当触头
向上移动时,下列说法正确的是
A.Al读数变大
B.A2读数变小
C.变压器的输入功率变大
D.变压器的输入功率不变
5、选择题 如下图A所示,足够长的光滑导轨ab、cd水平置于竖直向下的匀强磁场中,变压器为理想变压器。现用水平向右的恒力F使金属杆MN从静止开始向右运动。下列说法正确的是(?)
A.通过线圈n1的电流为直流电且方向从a到c
B.电阻R始终没有电流
C.电阻R先有电流后没有电流
D.杆MN做匀加速运动