时间:2018-10-02 04:56:38
1、选择题 有两个输出电压相同的交流电源,第一个电源外接一个电阻R1,第二个电源外接一个理想变压器,变压器的初级线圈匝数为n1,次级线圈的匝数为n2,变压器的负载为一个电阻R2,测得两个电源的输出功率相等.则此两电阻大小之比R1∶R2为
A.
∶
B.n1∶n2
C.n2∶n1
D.
∶
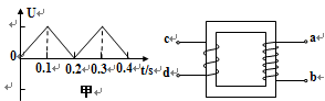
2、选择题 .图甲中理想变压器原、副线圈的匝数之比n1∶n2=5∶1,电阻R=20Ω,L1、L2为规格相同的两只小灯泡,S1为单刀双掷开关。原线圈接正弦交变电源,输入电压u随时间t的变化关系如图乙所示。现将S1接1、S2闭合,此时L2正常发光。下列说法正确的是
A.输入电压u的表达式u=20
sin(50πt)V
B.只断开S2后,L1、L2均正常发光
C.只断开S2后,原线圈的输入功率增大
D.若S1换接到2后,R消耗的电功率为0.8W
3、选择题 如图所示,A、B、C、D是四个相同的白炽灯,都处于正常发光状态,则图中ab、cd两端电压U1与U2之比是( ?)
A.3:1
B.4:1
C.3:2
D.2:1
4、选择题 某理想变压器的原、副线圈按如图所示电路连接,图中电表均为理想交流电表,且R1=R2,电键S原来闭合.现将S断开,则电压表的示数U、电流表的示数I、电阻R1上的功率P1、变压器原线圈的输入功率P的变化情况分别是

[? ]
5、选择题 如图所示,理想变压器的原、副线圈匝数之比为10:1,R1=20Ω,R2=10Ω,C为电容器,原线圈所加电压u=220
| 2 |
