时间:2018-10-02 04:50:42
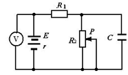
1、选择题 右图所示的电路中,当滑动变阻器R2的滑动触头P向下滑动时
A.电压表的读数增大
B.R1消耗的功率增大
C.电容器C的电容增大
D.电容器C所带电量增多
参考答案:AD
本题解析:滑动触头P向下滑动时有效阻值增大,路端电压增大,即电压表的读数增大A对,电流减小,则R1消耗的功率减小B错,电容器C的电容不随电压发生变化,C错,电容器C所带电量Q=CU,因为C不变U增大所以Q增多,D对
本题难度:简单
2、选择题 在如图所示的电路中,电池的电动势为E,内阻为r,R1和R2 是两个固定的电阻,C为电容器。当可变电阻的滑片向b端移动时:
A.I1变大,I2变小,电容器带电量增加
B.I1变大,I2变大,电容器带电量增加
C.I1变小,I2变大,电容器带电量减少
D.I1变小,I2变小,电容器带电量减少
参考答案:A
本题解析:略
本题难度:简单
3、选择题 如图所示电路,电源电动势E=9.0V,内电阻r=3.0Ω,R1=R2=20Ω,R3=R4=10Ω.电压表和电流表都是理想电表.若4个定值电阻中有一个断路,两表示数分别变成4.8V和0.36A,则可判断发生断路的是[ ]
A.R1 B.R2 C.R3 D.R4 |
参考答案:D
本题解析:
先分析清楚电路结构,等效电路图如图所示,再逐个假定发生断路,分别计算,即可确定发生断路的是R4
本题难度:简单
4、选择题 在干燥的日子,当我们用塑料梳梳头时,常常会发出劈啪的微弱声,这种现象的原因是
A.接触起电
B.摩擦起电
C.感应起电
D.总电量增加
参考答案:B
本题解析:用塑料梳梳头相当于用橡胶棒摩擦皮毛,梳子和头发带有异种电荷,然后当梳子靠近时发生放电现象,发出劈啪的微弱声
故选B
考点:摩擦起电
点评:容易题。常见的起电方式有三种:摩擦起电、接触起电和感应起电,不管哪种起电方式都是电荷的转移。
本题难度:简单
5、选择题 如图半圆形支架BAD,两细绳OA和OB结于圆心O,下悬重为G的物体,使OA绳固定不动,将OB绳的B端沿半圆支架从水平位置缓慢移至竖直位置C的过程中,分析OA绳和OB绳所受的力大小如何变化(? )
A.OA绳拉力逐渐变大
B.OA绳拉力逐渐变小
C.OB绳拉力先变小后变大
D.OB绳拉力逐渐变小
参考答案:BC
本题解析:因OB绳缓慢转动,所以O点受力平衡,对O点受力分析如图:
由平行四边形定则作图可知OA绳拉力TA减小,OB绳拉力TB先减小后增大,故选项B、D正确。
本题难度:简单