时间:2018-10-02 04:28:39
1、选择题 如图所示,理想变压器原、副线圈的匝数比为1:10,接线柱a、b接在电压为μ=22
sin(100πt)V的正弦交流电源上,R1为定值电阻,其阻值为100Q,R2为用半导体热敏材料制成的传感器.下列说法中正确的是( ?)
A.t=(1/600)s时,a、b两点间电压的瞬时值为11V
B.t=(1/600)s时,电压表的读数为220V
C.当R2的温度升高时,电压表示数不变,电流表示数变大
D.在1分钟内电阻R1上产生的热量为55000J
参考答案:C
本题解析:
本题难度:一般
2、选择题 某发电站的输出功率为104 kW,输出电压为4 kV,通过理想变压器升压后向80 km远处的用户供电.已知输电线的电阻率为ρ=2.4×10-8 Ω·m,导线横截面积为1.5×10-4 m2,输电线路损失的功率为输出功率的4%.则以下说法正确的是:( )
A.升压变压器的输出的电压为80 kV
B.输电线路上的电压损失为3.2 kV
C.输电线的电阻为12.8Ω
D.理想变压器原副线圈的匝数比为1:20
参考答案:ABD
本题解析:输电线路的电阻为
,C错误;
输电线上损失的功率为
,由
得
,有
得
,A正确;
输电线路上电压损失为
,B正确;理想变压器原副线圈的匝数比
,D正确。
考点:考查了远距离输电
本题难度:一般
3、选择题 在某交流电路中,有一正在工作的变压器,原、副线圈的匝数分别为n1="600" 匝、n2=120匝,电源的电压为U=311sin100
t(V),原线圈中串联一个额定电流为0.2 A的保险丝,为保证保险丝不被烧毁,则? (? )
A.负载功率不能超过44 W
B.副线圈电流的最大值不能超过1 A
C.副线圈电流的有效值不能超过1 A
D.无论副线圈电流有多大,保险丝总不会被烧毁
参考答案:AC
本题解析:略
本题难度:简单
4、选择题 如图(a)所示装置中,左侧线圈与一个定值电阻R相连,右侧线圈与两根平行导轨相连,导轨所在区域有一方向垂直导轨平面向下的匀强磁场B,现在垂直导轨方向上放置一金属棒MN,金属棒及线圈电阻恒定,导轨电阻不计.当t=0时,金属棒MN在外力作用下,以一定初速度v0开始向右运动,此后的速度v随时间t变化情况如图(b)所示.设a→b为正方向,下图中能正确表示电阻R中电流IR随时间t变化情况的是( )
A.
B.
C.
D.
参考答案:在0到1秒内,棒向右匀减速运动,根据右手定则可知,棒的感应电流的方向,N→M,且感应电流大小减小,根据右手螺旋定则可知,穿过左边的线圈的磁通量减小,且方向向下,由楞次定律可得,通过电阻R的电流方向a→b,故与正方向相同.故AC错误;
在1到2秒内,棒向左匀加速运动,根据右手定则可知,棒的感应电流的方向,M→N,且感应电流大小增大,根据右手螺旋定则可知,穿过左边的线圈的磁通量增大,且方向向上,由楞次定律可得,通过电阻R的电流方向a→b,故与正方向相同.故B错误,D正确;
故选D
本题解析:
本题难度:一般
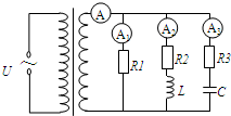
5、选择题 如图所示,理想变压器,原副线圈的匝数比为n.原线圈接正弦交流电压U,输出端A、A1、A2、A3为理想的交流电流表,R1R2R3为三个完全相同的电阻,L为电感,C为电容,当输入端接通电源后,电流表A读数为I.下列判断不正确的是( )浙江省宁波市2010届下学期高三年级第二次模拟考试理综18试卷改编
A.R1两端的电压为U/n
B.通过副线圈的最大电流
| 2 |
参考答案:A、根据U1U2=n1n2=n得:U?U1=n,所以R1两端的电压为:Un,故A正确;
B、根据题意得副线圈的电流为I,所以通过副线圈的最大电流为
本题解析:
本题难度:简单