时间:2018-10-02 03:50:11
1、实验题 某同学对实验室的一个多用电表中的电池进行更换时发现,里面除了一节1.5 V的干电池外,还有一个方形的电池(层叠电池).为了测定该电池的电动势和内电阻,实验室中提供有下列器材:
A.电流表G(
参考答案:
本题解析:
本题难度:困难
2、实验题 (6分)
I.如图所示,大小分别为F1、F2、F3的三个力恰好围成一个闭合的三角形,且三个力的大小关系是F1<F2<F3,则下列四个图中,这三个力的合力最大的是 

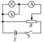
Ⅱ.用多用电表探测由图所示黑箱发现:用直流电压挡测量,E、G两点间和F、G两点间均有电压,E、F两点间无电压;用欧姆档测量,黑表笔(与电表内部电源的正极相连)接E点,红表笔(与电表内部电源的负极相连)接F点,阻值较小,但反接阻值很大。那么,该黑箱内元件的接法可能是图下中的 。
A. B. C. D.
参考答案:I. C(3分)Ⅱ.B(3分)
本题解析:I.选项A中根据平行四边形定则可知F1和F2的合力与F3方向不在通一条直线上,合力不为零也不是最大,选项B中F1和F2的合力方向与F3方向相反,合力为零,同理C对
Ⅱ.本题主要考查了用多用电表探测黑箱中的元件。由多用电表探测各点之间电压关系可知EF间没有电源,电源只能在GE或GF间,再用欧姆档测各两点间电阻EF间接有二极管。选项B 正确
考点:考查力的合成与多用电表的使用
点评:本题难度较小,对于平行四边形的合成法则要理解,对角线表示合力的大小和方向,要能够熟练使用万用表,并掌握二极管的单向导电性
本题难度:一般
3、填空题
【小题1】如图a所示中给出的是用螺旋测微器测量某导体棒直径时的示数,此读数应为 mm 
【小题2】某物理实验小组在使用多用电表按正确步骤测量某一电阻阻值,选择开关指在“×100”欧姆档,指针指示位置如图b所示,则这电阻是
。如果要用该多用电表测量一个约140
的电阻,为了使测量结果比较精确,应选的欧姆档是 (填“×1”“×10”、“×100”、或“×1k”)。 在使用欧姆档时要注意,变换另一个倍率的欧姆档后,必须重新 。
参考答案:
【小题1】6.200 (6.199~6.201也算对)
【小题2】1900 ×10 欧姆调零
本题解析:【小题1】螺旋测微器测量金属板的厚度时的读数分两步:由固定刻度读出整毫米为6mm(应注意半毫米刻线是否露出),然后由可动刻度读出小数20.0×0.01mm=0.200mm(0为估读位),两个读数相加为6.200mm.
故答案为:6.200mm.
【小题2】欧姆表读数=刻度盘读数×倍率,所以这个电阻是19×100=1900Ω,一般指针在中值附近较为准确,所以140Ω的电阻选择的倍率是×10档,在使用欧姆档时要注意,变换另一个倍率的欧姆档后,必须重新进行欧姆调零
故答案为:】1900 ×10 欧姆调零
本题难度:一般
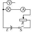
4、实验题 一个小灯泡的额定电压为2.0V,额定电流约为0.5A,选用下列实验器材描绘小灯泡的伏安特性曲线:①电源E1:电动势为3.0V,内阻不计;②电源E2:电动势为12.0V,内阻不计;③电压表V:量程为0~3V,内阻约为10
;④电流表A1:量程为0~3A,内阻约为0.1
;⑤电流表A2:量程为0~0.6A,内阻约为0.6
;⑥滑动变阻器R:最大阻值为l0
,额定电流为1.0A;⑦开关S,导线若干。
用实验得到如下数据(I和U分别表示小灯泡的电流和电压):
(1)实验中电源应选用 ;电流表应选用 (填数字序号)。
(2)在下面实验电路图中将所缺的导线补充完整。
(3)在下面坐标中画出小灯泡的
曲线。
(4)若将本题中的小灯泡接在电动势是1.5V、内阻是1.0
的电池两端,问小灯泡的实际功率是多少?(若需作图,可直接画在坐标中)
参考答案:(1)E1 A2
(2)
(3)
(4)
本题解析:(1)小灯泡的额定电压为2.0V,额定电流约为0.5A,电源应选)E1,电流表应选A2。
(2)测量小灯泡的伏安特性曲线时,要求灯泡两端的电压值从零开始变化,故滑动变阻器应采用分压接法;由于灯泡电阻较小,电流表采用外接法。
(3)由电源的电动势和内阻作出电源的伏安特性曲线如答案图所示,
(4)交点为灯泡的工作电压和电流,由图可知,灯泡的电压为1.1V,电流为0.4A,则灯泡的功率P=UI=1.1×0.4="0.44" W。
考点:描绘小灯泡的伏安特性曲线、路端电压-电流图线
本题难度:一般
5、实验题 使用中值电阻为25Ω(×1档)的多用电表测量一个定值电阻R(阻值约为300Ω),在下列各项操作中选出尽可能准确地测量电阻值、并符合多用电表使用规则的操作:
A.转动选择开关使其尖端对准“×1k”档
B.转动选择开关使其尖端对准“×100”档
C.转动选择开关使其尖端对准“×10”档
D.转动选择开关使其尖端对准“×1”档
E.转动选择开关使其尖端对准“OFF”档
F.将两表笔分别接触R两端,读出R的阻值后,随即断开
G.将两表笔短接,调整欧姆调零旋钮,使指针指到0欧姆位置。
所选操作的合理顺序为: 。
参考答案:CGFE(2分)
本题解析:在使用欧姆档测量电阻时,应使指针只在中间刻度时误差最小,所以根据电阻约为300欧姆,选择“×10”档,在测量之前要先调零,所以合理顺序为CGFE
考点:考查欧姆表的使用
点评:难度较小,根据带测电阻选择合适的档位,每次测量或换挡之前要先调零
本题难度:一般