时间:2018-10-02 03:46:28
1、填空题 如图所示,电路中接一电动势为4V,内电阻为2Ω的直流电源,电阻R1、R2、R3、R4的阻值均为4Ω,电容器的电容为30μF,电流表的内阻不计,当电路稳定后,电流表的读数为_____。电容器上所带的电荷量_____
2、选择题 在图示电路中,电源电动势为E,内阻为r,电流表A、电压表V1、V2、V3均为理想电表,R1为定值电阻,R2为滑动变阻器。闭合开关S,当R2的滑动触头P向上滑动过程中
[? ]
A.电压表V1、V2的示数增大,电压表V3的示数不变
B.电流表A示数变大,电压表V3的示数变小
C.电压表V2示数与电流表A示数的比值不变
D.电压表V3示数变化量的绝对值与电流表A示数变化量的绝对值的比值不变
3、计算题 如图a所示电路中,电源电动势E=12V,内阻r=2Ω,R1=4Ω,R2=6Ω,R3=3Ω。
(1)若在C、D间连一个理想电压表,其读数是多少?
(2)若在C、D间连一个理想电流表,其读数是多少?
(3)图a中虚线框内的电路可等效为一个电源,即图a可等效为图b,其等效电动势E′等于CD间未接入用电器时CD间的电压;若用导线直接将CD两点连接起来,通过该导线的电流等于等效电源的短路电流,则等效电源的内电阻r′是多少?
(4)若在C、D间连一个“6V,3W”的小灯泡,则小灯泡的实际功率是多少?
? 
4、简答题 如图所示,电路中接一电动势为4V、内阻为2Ω的直流电源.电阻R1、R2、R3、R4的阻值均为4Ω,电容器的电容为30μF,电流表的内阻不计,当电路稳定后,求:
(1)电流表的读数;
(2)电容器所带的电荷量;
(3)如果断开电源,通过R2的电荷量.
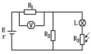
5、选择题 半导体材料导电性能受光照影响较大,当光照增强时,其导电性能大幅度提高,表现为电阻减小,因而可用来制作成光敏电阻将光信号转化为电信号。如图所示,R1、R2为定值电阻,L为小灯泡,R3为光敏电阻,当照射光强度增大时
A.电压表示数增大
B.R2中电流增大
C.小灯泡L的功率增大
D.电路中路端电压降低