时间:2018-10-01 01:08:07
1、选择题 如图是用于观察自感现象的电路图.设线圈的自感系数较大,线圈的直流电阻RL与灯泡的电阻R满足RL?R,则在开关S由闭合到断开的瞬间,可以观察到(? )
A.灯泡立即熄灭
B.灯泡逐渐熄灭
C.灯泡有明显的闪亮现象
D.只有在RL?R时,才会看到灯泡有明显的闪亮现象
参考答案:C
本题解析:当开杆S闭合时,由于RL?R,所以线圈L中的电流远大于灯泡中的电流,当S断开的瞬间,根据断电自感现象可知,灯泡中的电流等于线圈L中的电流,故灯泡会有明显的闪亮现象,然后逐渐熄灭,所以A、B、D错误;C正确。
本题难度:简单
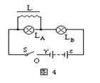
2、选择题 如图4所示电路,电感线圈L的自感系数足够大,其直流电阻忽略不计,LA、LB是两个相同的灯泡,则( )
A.S闭合瞬间.A、B同时亮,然后A逐渐变暗到熄灭,B变得更亮;S断开瞬间,A亮一下才熄灭,B立即熄灭
B.S闭合瞬间,LA很亮,LB逐渐亮;S断开瞬间,LA逐渐熄灭,LB立即熄灭
C.S闭合瞬间,LA、LB同时亮,然后LA熄灭,LB亮度不变;S断开瞬间,LA亮一下才熄灭,LB立即熄灭;
D.S闭合瞬间,LA不亮,LB很亮;S断开瞬间,LA、LB立即熄灭
参考答案:A
本题解析:S闭合瞬间.A、B同时亮,电感线圈的阻碍作用逐渐减小,最后把LA短路,LA熄灭,S断开瞬间,自感线圈产生与原电流相同的自感电流,逆时针流过LA,LA亮一下才熄灭,B立即熄灭,A对;
本题难度:简单
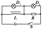
3、选择题 如图所示的电路中,D1和D2是两个相同的小灯泡,L是一个自感系数相当大的线圈,其阻值与R相同.在开关S接通和断开时,灯泡D1和D2亮暗的顺序是 (? )?
A.接通时D1先达最亮,断开时D1后灭
B.接通时D2先达最亮,断开时D1后灭
C.接通时D1先达最亮,断开时D1先灭
D.接能时D2先达最亮,断开时D2先灭
参考答案:A
本题解析:解析:当开关S接通时,D1和D2应该同时亮,但由于自感现象的存在,流过线圈的电流由零变大时,线圈上产生自感电动势的方向是左边正极,右边负极,使通过线圈的电流从零开始慢慢增加,所以开始瞬时电流几乎全部从D1通过.而该电流又将同时分路通过D2和R,所以D1先达最亮,经过一段时间电路稳定后,D1和D2达到一样亮.当开关S断开时,电源电流立即为零,因此D2立刻熄灭,而对D1,由于通过线圈的电流突然减弱,线圈中产生自感电动势(右端为正极,左端为负极),使线圈L和D1组成的闭合电路中有感应电流,所以D1后灭.
故选A
本题难度:简单
4、选择题 紧靠在一起的线圈A与B如图甲所示,当给线圈A通以图乙所示的电流(规定由a进入b流出为电流正方向)时,则线圈cd两端的电势差应为下图中的( ? )
A.
B.
C.
D.
参考答案:B
本题解析:
本题难度:一般
5、选择题 如图,线圈L的电阻和电池的内阻可忽略不计,两个电阻的阻值都是R,电键S原来是断开的,这时通过电路的电流I=ε/2R,现将电键S闭合,一电阻短路,于是线圈中有自感电动势,产生这个自感电动势的作用是
[? ]
A.有阻碍电流的作用,最后电流I减小到零
B.有阻碍电流的作用,最后电流总等于I
C.有阻碍电流增大的作用,因而电流保持I不变
D.有阻碍电流增大的作用但电流最后还是要增大到2I
参考答案:D
本题解析:
本题难度:一般