时间:2018-03-18 10:03:36
1、选择题 在以下几幅图中,洛伦兹力的方向判断正确的是( ) 



A B C D
2、简答题 如图所示,
、
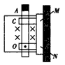
为“
”型的平行光滑金属导轨,轨道足够长电阻不计,宽度为
,其中
、
段等长且表面光滑绝缘,轨道斜面与水平面的夹角为θ。轨道所在空间有一竖直向上的磁感应强度大小为B的匀强磁场。在上轨道的底端有一固定绝缘挡板。现有质量均为
,电阻均为
的细金属杆
和
,将
放在挡板上,
杆从下轨道的顶端由静止释放。
(1)若
杆刚滑出绝缘段时,
杆对挡板恰
无压力,求此时
杆的速度大小
;?
(2)若延长绝缘段的长度,使
杆进入导电
段时的速度大小为
。
①求
杆匀速时的速度大小
;
②从
杆刚开始运动起至
、
杆的速度比
为
时,系统重力势能减少了
,求整个过程中回路产生的焦耳热
3、选择题 如图所示,AB为固定的通电直导线,闭合导线框P与AB在同一平面内,当P远离AB运动时,它受到AB的作用力是
A.零
B.引力,且逐渐减小
C.引力,且大小不变
D.斥力,且逐渐变小
4、选择题 匀强磁场的磁感应强度为0.5T,通电直导线与磁场方向垂直,导线长度为0.2m,导线中电流为2A.该导线所受的安培力的大小是( )
A.0.1N
B.0.2N
C.0.3N
D.0.4N
5、选择题 如图所示为一种自动跳闸的闸刀开关,O是转动轴,A是绝缘手柄,C是闸刀卡口,M、N接电源线,闸刀处于垂直纸面向里、磁感应强度B=1T的匀强磁场中,CO间距离为10cm。当磁场力为0.2N时,闸刀开关会自动跳开。则要使闸刀开关能跳开,CO中通过的电流的大小和方向为 
[? ]
A.电流方向C→O
B.电流方向O→C
C.电流大小为1A
D.电流大小为0.5A