时间:2018-03-18 09:26:03
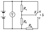
1、简答题 在如图所示的电路中,R1=2Ω,R2=R3=4Ω,当电键K接a时,R2上消耗的电功率为4W,当电键K接b时,电压表示数为4.5V,试求:
(1)电键K接a时,通过电源的电流和电源两端的电压;
(2)电源的电动势和内电阻;
(3)当电键K接c时,通过R2的电流.
2、选择题 照明供电线路的路端电压基本上是保持不变的.可是我们在晚上七八点钟用电高峰时开灯,电灯比深夜时要显得暗些.这是因为用电高峰时? ( ? )
A.总电阻比深夜时大,供电线路上的电流小,每盏灯两端的电压较低
B.总电阻比深夜时大,供电线路上的电流小,通过每盏灯的电流较小
C.总电阻比深夜时小,供电线路上的电流大,输电线上损失的电压较大
D.供电线路上的电流恒定,但开的灯比深夜时多,通过每盏灯的电流小
3、计算题 如图所示,电解槽A与电炉B并联后接到电源上;电源内阻r=1 Ω,电炉电阻R=19 Ω,电解槽电阻r=0.5 Ω。当S1闭合、S2断开时,电炉消耗功率684 W;S1、S2都闭合时电炉消耗功率475 W(电炉电阻可看作不变)。试求:
(1)电源的电动势;
(2)S1,S2闭合时,流过电解槽的电流大小;
(3)S1,S2闭合时,电解槽中电能转化成化学能的功率。
4、计算题 某电流表表头内阻Rg为200Ω,满偏电流Ig为2mA,按图甲改装成量程为3V和15V的电压表,按图乙改装成量程为0.1A和1A的两个电流表,试求两种情况下的R1和R2各为多少?
5、选择题 如图所示,由六根相同的金属棒组成了一个“6”字形的框架,每根金属棒长为L,电阻为R,匀强磁场的宽度也为L.设框架在通过磁场过程中以速度v做匀速直线运动,从ab进入磁场开始计时,f、c两点的电势差Ufc随距离变化的图象正确的是( )
A.
B.
C.
D.
