高考物理高频考点《焦耳定律》试题巩固(2017年最新版)(二)

时间:2017-11-10 09:18:11

微信搜索关注"91考试网"公众号,领30元,获取事业编教师公务员等考试资料40G

1、选择题  某课外活动小组将锌片和铜片插入一个西红柿中,用电压表测量`铜片和锌片间电压为0.30V.然后又将同样的10个西红柿电池串联成电池组(n个相同电池串联时,总电动势为nE,总电阻为nr),与一个额定电压为1.5V、额定功率为1W的小灯泡相连接,小灯泡不发光,测得小灯泡两端的电压为0.2V.对此现象以下解释正确的是?
A.西红柿电池组的电动势大于小灯泡的额定电压,小灯泡已经烧毁
B.西红柿电池组不可能提供电能
C.西红柿电池组输出的电功率太小
D.西红柿电池组的内阻远大于小灯泡的电阻


参考答案:CD


本题解析:电源的输出功率可知,水果电池的内阻太大,如果外电阻的阻值过小的话,输出功率很小


本题难度:一般



2、填空题  如图所示,电源的电动势E=42V,内阻r=l,R=20,M为直流电动机,其电枢电阻r=l,电动机正常工作时,电压表读数为21V,电动机的机械能的功率为____W,电源的总功率为_____W.


参考答案:?


本题解析:电动机为非纯电阻电路,电阻R和内阻r是纯电阻电路,因此,解得。电动机的总功率,电动机发热功率,所以电动机输出功率即机械功率,电源总功率


本题难度:一般



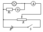
3、实验题  (12分)某同学利用学过物理知识测量电阻Rx的阻值及探究额定功率为4W、额定电压为4V的小灯泡消耗的功率与电压的关系,进行如下操作:


(1)用多用电表测该电阻的阻值,选用“”倍率的电阻档测量,发现指针偏转角度太大,因此需选择___倍率的电阻档(选填“”“”),欧姆调零后再进行测量,示数如图所示,测量值为__ _Ω。
(2)为了探究额定功率为4W、额定电压为4V的小灯泡消耗的功率与电压的关系,该同学准备了如下的实验器材:
A. 电压表V1(0~2V,内阻2kΩ);
B. 电压表V2(0~15V,内阻15kΩ)
C. 电流表A(0~1A,内阻约1Ω);?
D. 定值电阻R1=2kΩ
E. 定值电阻R2=16kΩ;?
F. 滑动变阻器R(15Ω,2A)
G. 学生电源(直流6V,内阻不计);?
H. 开关、导线若干
①为了减小实验误差,电压表应选用________,定值电阻应选用_________(均用序号字母填写);
②在探究功率与电压的关系时,要求电压从零开始调节,并且多次测量,画出满足要求的电路图;
③根据设计的电路图,写出电压表读数UV与小灯泡两端电压U的关系__________。若小灯泡的电功率为P,则关系图线可能正确的是__________。


参考答案:(1),13Ω;(2)①A(或V1);D(或R1)②电路图见解析;③;C;


本题解析:(1)欧姆表指针偏转角过大,说明所测电阻较小,就换用小倍率重新测量,原来为倍率,故应换用倍率;由读数规则可知此电阻为,欧姆表无需估读,故填写13Ω也正确;(2)①因灯泡额定电压为4V,故选用15V量程会使测量误差偏大,而选用2V量程又太小,不能使灯泡正常发光,题目中有定值电阻,根据串联电路特点,可将电压表改装为4V量程左右的电表进行实验,电压表本身内阻为2kΩ,故选用2kΩ的定值电阻可使实验顺利进行;②要求电压从零开始变化,故变阻器应采用分压式接法,实验电路如下图所示:

③根据串联电路特点知,灯泡电压与电压表示数间的关系为;根据,灯泡灯丝电阻随温度的升高而增大,故在图像中,斜率逐渐变小,所以可知,只有选项C可能是正确的;


本题难度:简单



4、选择题  如果家里的微波炉(800W)和洗衣机(400W)平均每天工作1h,电视机(100W)平均每天工作2h,则一个月的耗电量为(每月按30天计算)()
A.42kW·h
B.40kW·h
C.38kW·h
D.36kW·h


参考答案:A


本题解析:本题考查电功率。
每天的耗电量
一个月的耗电量,选A。


本题难度:简单



5、选择题  某同学将一直流电源的总功率PE、输出功率PR和电源内部的发热功率Pr随电流I变化的图线画在同一坐标系内,如图,根据图线可知下列说法正确的是

A.反映Pr变化的图线是b
B.电源电动势约为8V
C.当外电阻约为2Ω时,输出功率最大
D.当电流为0.5A时,外电路的电阻约为6Ω。


参考答案:CD


本题解析:直流电源的总功率,总功率随电流变化的图像是一条倾斜的直线,斜率为电动势E,结合图像可知,倾斜直线a符合,根据图像可判断,选项B错。电源内部的发热功率,图像是一条曲线,开口向上,图线c符合,选项A错。当时,输出功率为0即外电阻为0,此时,求得内阻,当外电阻等于内电阻时即时电源输出功率最大,选项C对。当电流为时,总电阻,此时外电阻选项D对。


本题难度:一般




首页 上页 1 2 3 下页 尾页 2/10/10
微信搜索关注"91考试网"公众号,领30元,获取公务员事业编教师考试资料40G
【省市县地区导航】【考试题库导航】
 ★ 高考省级导航 ★ 
全国 A安徽 B北京 C重庆 F福建 G广东 广西 甘肃 贵州 H河南 河北 湖南 湖北 黑龙江 海南 J江苏 江西 吉林 L辽宁 N内蒙古 宁夏 Q青海 S山东 山西 陕西 四川 上海 T天津 X新疆 西藏 Y云南 Z浙江
 ★ 高考信息汇总 ★ 
 ★ 高考历年真题 ★ 
 ★ 高考历年真题 ★ 
 ★ 高考题库 ★ 
 ★ 高考题库 ★ 

电脑版  |  手机版  |  返回顶部