高考物理知识点总结《闭合电路的欧姆定律》答题技巧(2017年最新版)(四)

时间:2017-11-10 09:04:17

微信搜索关注"91考试网"公众号,领30元,获取事业编教师公务员等考试资料40G

1、计算题  图甲所示为一个电灯两端电压与通过它的电流的变化关系曲线.由图可知,两者不成线性关系,这是由于焦耳热使灯丝的温度发生了变化的缘故,参考这条曲线回答下列问题(不计电流表内阻,线路提供电压不变):
(1)若把三个这样的电灯串联后,接到电压恒定为12 V的电路上,求流过灯泡的电流和每个灯泡的电阻;
(2)如图乙所示,将两个这样的电灯并联后再与10 Ω的定值电阻R0串联,接在电压恒定为8 V的电路上,求通过电流表的电流值以及每个灯的实际功率.


参考答案:解:(1)由于三个电灯完全相同,所以每个电灯两端的电压为:UL=V=4 V
结合图象可得当UL=4 V时,IL=0.4 A
故每个电灯的电阻为:RΩ=10 Ω
(2)设此时电灯两端的电压为U",流过每个电灯的电流为I,由闭合电路欧姆定律得EU"+2IR0
代入数据得U"=8-20I
在图甲上画出此直线如图所示

可得到该直线与曲线的交点(2 V,0.3 A),即流过电灯的电流为0.3 A,则流过电流表的电流为IA=2I=0.6 A
每个灯的功率为:PUI=2×0.3 W=0.6 W


本题解析:


本题难度:一般



2、简答题  如图所示,已知电源电动势E=20V,内阻r=lΩ,当接入固定电阻R=4Ω时,电路中标有“3V,6W”的灯泡L和内阻RD=0.5Ω的小型直流电动机D都恰能正常工作.试求:
(1)电路中的电流大小;
(2)电动机的额定电压.


参考答案:(1)由题,“3V,6W”的灯泡L正常发光,则通过灯泡的电流等于额定电流,则电路中的电流大小为 I=PLUL=63A=2A.
(2)直流电动机D能正常工作,其两端的电压等于额定电压,则有
UM=E-I(R+r)-UL=20-2×(4+1)-3=7V
答:
(1)电路中的电流大小是2A;
(2)电动机的额定电压是7V.


本题解析:


本题难度:一般



3、选择题  如图所示,在光滑的水平面上,有一垂直向下的匀强磁场分布在宽度为L的区域内,现有一个边长为a(a<L)的正方形闭合线圈以初速度vo垂直磁场边界滑过磁场后,速度为v(v<vo),则(  )
A.完全进入磁场中时,线圈的速度大于

v0+v
2

B.完全进入磁场中时,线圈的速度等于
v0+v
2

C.完全进入磁场中时,线圈的速度小于
v0+v
2

D.完全进入磁场中时,线圈的速度等于vo
91考试网


参考答案:对线框进入或穿出磁场过程,设初速度为v1,末速度为v2.由动量定理可知:B.IL△t=mv2-mv1,又电量q=.I△t,得
? m(v2-v1)=BLq,
得速度变化量△v=v2-v1=BLqm
由q=△ΦR可知,进入和穿出磁场过程,磁通量的变化量相等,则进入和穿出磁场的两个过程通过导线框横截面积的电量相等,故由上式得知,进入过程导线框的 速度变化量等于离开过程导线框的速度变化量.
设完全进入磁场中时,线圈的速度大小为v′,则有
? v0-v′=v′-v,
解得,v′=v0+v2
故选B


本题解析:


本题难度:简单



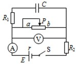
4、选择题  在图所示的电路中,电源电动势为E,内电阻为r,闭合开关S,待电流达到稳定后,电流表示数为I,电压表示数为U,电容器C所带电荷量为Q,R2上消耗的功率为P2,将滑动变阻器P的滑动触头从图示位置向a端移动一些,待电流达到稳定后,则与P移动前相比(  )
A.U变小
B.I变小
C.Q增大
D.P2变小
91考试网


参考答案:当滑动变阻器P的滑动触头,从图示位置向a一端移动时,其接入电路的电阻值增大,外电路总电阻增大,由闭合电路的欧姆定律可知,干电路的电流I减小;变阻器两端的电压U=E-I(R2+r),I减小,U增大,即电容器C两端的电压增大,所带电荷量Q增大.R2上消耗的功率P2=I2R2,I减小,则P2减小.故BCD正确.
故选BCD


本题解析:


本题难度:简单



5、选择题  如图所示的甲、乙两个电路,电感线圈的自感系数足够大,且直流电阻不可忽略,闭合开关S,待电路达到稳定后,灯泡均能发光.现将开关S断开,这两个电路中灯泡亮度的变化情况可能是(  )
A.甲电路中灯泡将立刻变暗
B.甲电路中灯泡将先变得更亮,然后渐渐变暗
C.乙电路中灯泡将立刻变暗
D.乙电路中灯泡将先变得更亮,然后渐渐变暗
91考试网


参考答案:A、B对甲图,断开开关时,L中电流要减小,就会产生自感电动势,相当于电源,自感电动势阻碍电流的减小,所以甲电路中灯泡将渐渐变暗,由于电流先从原先的值开始逐渐减小,灯泡中电流没有增大,所以灯泡不会变得更亮.故AB错误;
C、D对乙图,开关断开时,L相当于电源,若L中的电流小于或等于灯泡中的电流,则乙电路中灯泡将渐渐变暗,若L中原来的电流大于灯泡中的电流,则乙电路中灯泡将先变得更亮,然后渐渐变暗,故C错误,D正确.
故选D


本题解析:


本题难度:一般




首页 上页 3 4 5 下页 尾页 4/10/10
微信搜索关注"91考试网"公众号,领30元,获取公务员事业编教师考试资料40G
【省市县地区导航】【考试题库导航】
 ★ 高考省级导航 ★ 
全国 A安徽 B北京 C重庆 F福建 G广东 广西 甘肃 贵州 H河南 河北 湖南 湖北 黑龙江 海南 J江苏 江西 吉林 L辽宁 N内蒙古 宁夏 Q青海 S山东 山西 陕西 四川 上海 T天津 X新疆 西藏 Y云南 Z浙江
 ★ 高考信息汇总 ★ 
 ★ 高考历年真题 ★ 
 ★ 高考历年真题 ★ 
 ★ 高考题库 ★ 
 ★ 高考题库 ★ 

电脑版  |  手机版  |  返回顶部