时间:2017-11-10 08:56:08
1、选择题 用某一频率的绿光照射某金属时恰好能产生光电效应,则改用强度相同的蓝光和紫光分别照射该金属,下列说法正确的是(?)
A.用蓝光照射时,光电子的最大初动能比用紫光照射时小
B.用蓝光和紫光照射时,在相同时间内逸出的电子数相同
C.用蓝光照射时,在同样时间内逸出的电子数目较多
D.用紫光照射时,在同样时间内逸出的电子数目较多
2、选择题 下列说法不正确是( )
A.人的个数是“量子化”的
B.康普顿效应表明光子只具有能量
C.光子的动量为P=λ/h
D.黑体辐射电磁波的强度按波长的分布只与黑体的温度有关
3、选择题 如图所示,电路中所有元件完好,当光照射到光电管上时,灵敏电流计中没有电流通过,可能的原因是?
A.入射光强度较弱
B.入射光波长太长
C.光照射时间太短
D.电源正负极接反
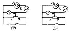
4、选择题 如图(甲)所示,用光子能量为2.5 eV的一束光照射阴极K,发现电流表的读数不为零,调节滑动变阻器,发现当电压表的读数小于0.6 V时,电流表的读数仍不为零,当电压表的读数大于等于0.6 V,电流表的读数为零.把电路改成(乙)所示,当电压表的读数为2 V时,电子到达阳极时的最大动能为
A.0.6 eV
B.1.9 eV
C.2.6 eV
D.4.5 eV
5、选择题 某金属在一束绿光的照射下,发生了光电效应,则( ? )? ?
A.若增大绿光的照射强度,则单位时间逸出的光电子数增加
B.若增大绿光的照射强度,则逸出的光电子的最大初动能增加
C.若改用较弱的紫外线照射,则不能发生光电效应
D.用绿光或紫光照射时,逸出的光电子的动能有可能相等