时间:2017-11-10 08:17:21
1、选择题 如图所示,通过水平绝缘传送带输送完全相同的铜线圈,线圈均与传送带以相同的速度匀速运动。为了检测出个别未闭合的不合格线圈,让传送带通过一固定匀强磁场区域,磁场方向垂直于传送带,线圈进入磁场前等距离排列,穿过磁场后根据线圈间的距离,就能够检测出不合格线圈,通过观察图形,判断下列说法正确的是

[? ]
2、选择题 如图所示,导线框abcd与固定直导线AB在同一平面内,直导线AB中通有恒定电流I,当线框由图示位置向右匀速运动的过程中( )
A.线圈中的感应电流方向是abcda
B.线圈中的感应电流方向是dcbad
C.线圈中的感应电流大小不变
D.线圈中的感应电流大小逐渐减小
3、选择题 一圆线圈位于垂直纸面向里的匀强磁场中,如图所示。下列操作中始终保证线圈在磁场中,能使线圈中产生感应电流的是(? ) 
A.把线圈向右拉动
B.把线圈向上拉动
C.垂直纸面向外运动
D.以圆线圈的任意直径为轴转动
4、选择题 如图所示,金属棒ab置于水平放置的U形光滑导轨上,在ef右侧存在有界匀强磁场B,磁场方向垂直导轨平面向下,在ef左侧的无磁场区域cdef内有一半径很小的金属圆环L,圆环与导轨在同一平面内。当金属棒ab在水平恒力F作用下从磁场左边界ef处由静止开始向右运动后,则下列对圆环L的变化趋势及圆环内产生的感应电流变化判断正确的是: 
[? ]
A.收缩,变小
B.收缩,变大
C.扩张,变小
D.扩张,不变
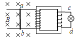
5、选择题 如图所示,理想变压器左线圈与导轨相连接,导体棒ab可在导轨上滑动,磁场方向垂直纸面向里,以下说法正确的是:
A.ab棒匀速向右滑,c、d两点中c点电势高
B.ab棒匀加速右滑,c、d两点中d点电势高
C .ab棒匀减速右滑,c、d两点中d点电势高
D.ab棒匀加速左滑,c、d两点中c点电势高