高考物理题《弹力》高频考点特训(2017年练习版)(六)

时间:2017-11-10 07:50:22

微信搜索关注"91考试网"公众号,领30元,获取事业编教师公务员等考试资料40G

1、实验题  如图是研究小球的平抛运动时拍摄的闪光照片的一部分,其背景是边长为5cm的小方格,重力加速度取.由此可知:闪光周期为___________s;小球抛出时的初速度大小为_____________m/s



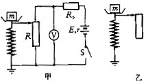
2、简答题  图甲是某研究性学习小组自制的电子秤原理图,利用电压表的示数来指示物体的质量.托盘与电阻可忽略的弹簧相连,托盘与弹簧的质量均不计.滑动变阻器的滑动端与弹簧上端连接,当盘中没有放物体时,电压表示数为零.设变阻器总电阻为R,总长度为L,电源电动势为E,内阻为r,限流电阻阻值为R0,弹簧劲度系数为k,电压表为理想电表,若不计一切摩擦和其它阻力.
(1)试推出电压表示数Ux与所称物体质量m的关系式.
(2)由(1)计算结果可知,电压表示数与待测物体质量不成正比,不便于进行刻度,为了使电压表示数与待测质量成正比,请你利用原有器材在该小组研究的基础上进行改进,在图乙的基础上完成改进后的电路图,并推出电压表示数Ux与待测物体质量m的关系式.91考试网



3、实验题  在验证机械能守恒的实验中(实验装置如图),有下列A至F六个步骤:
A.将打点计时器竖直固定在铁架台上
B.接通电源,再松开纸带,让重锤自由下落
C.取下纸带,更换纸带(或将纸带翻个面),重新做实验
D.将重锤固定在纸带的一端,让纸带穿过打点计时器,用手提纸带
E.选择一条纸带,用刻度尺测出重锤下落的高度h1、h2、h3、…… hn ,计算出对应的即时速度vn
F.分别算出,比较在实验误差范围内是否相等.

(1)以上实验步骤按合理的操作步骤排列应该是?
某个实验小组的甲乙两位同学按照正确的操作选得纸带如图示.其中O是起始点,A、B、C是打点计时器连续打下的3个点.用毫米刻度尺测得O到A、B、C各点的距离分别为hA =9.51cm、hB=12.42cm、hC=15.70cm,现利用OB段所对应的运动来验证机械能守恒,已知当地的重力加速度g=9.80m/s2,打点计时器所用电源频率为f=50Hz,设重锤质量为0.1kg.

(2)根据以上数据可以求得重锤在OB段所对应的运动过程中减小的重力势能为__________J(计算结果保留三位有效数字,下同),而动能的增加量为________J.实验发现二者并不完全相等,请指出一个可能的原因__________________________________?.
(3)处理数据过程中,甲乙两位同学分别发现了一种计算B点对应时刻物体速度vB的新思路:
甲同学发现,图中的B是除起始点外打点计时器打下的第n个点.因此可以用从O点到B点的时间nT(T是打点计时器的打点周期)计算,即vB =gnT,再依此计算动能的增量.
乙同学认为,可以利用从O点到B点的距离hB计算,即,再依此计算动能的增量.
你认为,他们新思路中(  )
A.只有甲同学的思路符合实验要求?B.只有乙同学的思路符合实验要求
C.两位同学的思路都符合实验要求? D.两位同学的思路都不符合实验要求
(4)在上图纸带基础上,某同学又选取了多个计数点,并测出了各计数点到第一个点O的距离h,算出了各计数点对应的速度v,以h为横轴,以为纵轴画出的图线应是如下图中的?.图线的斜率表示?



4、计算题  如图所示,在倾角α=60°的斜面上放一个质量m的物体,用k=100N/m的轻弹簧平行斜面吊着。发现物体放在PQ间任何位置恰好都处于静止状态,测得AP=22cm,AQ=8cm,则物体与斜面间的最大静摩擦力等于多少?



5、实验题  在做“研究共点力的合成”实验时,
(1)(多选题)下面措施中有利于提高实验精确度的是
A.橡皮条弹性要好,拉到O点时,拉力要适当大些.
B.两个分力F1和F2间的夹角要尽量大些.
C.拉橡皮条时,橡皮条细绳和弹簧秤应贴近且平行纸面.
D.套橡皮条的绳套要细些且稍长为好.
(2)实验结果是否会有误差?若有,造成误差的主要原因是什么?




首页 上页 5 6 7 下页 尾页 6/10/10
微信搜索关注"91考试网"公众号,领30元,获取公务员事业编教师考试资料40G
【省市县地区导航】【考试题库导航】
 ★ 高考省级导航 ★ 
全国 A安徽 B北京 C重庆 F福建 G广东 广西 甘肃 贵州 H河南 河北 湖南 湖北 黑龙江 海南 J江苏 江西 吉林 L辽宁 N内蒙古 宁夏 Q青海 S山东 山西 陕西 四川 上海 T天津 X新疆 西藏 Y云南 Z浙江
 ★ 高考信息汇总 ★ 
 ★ 高考历年真题 ★ 
 ★ 高考历年真题 ★ 
 ★ 高考题库 ★ 
 ★ 高考题库 ★ 

电脑版  |  手机版  |  返回顶部