时间:2017-11-10 07:42:14
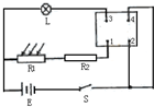
1、简答题 光敏电阻的阻值随照射光的强弱而变化,作为简化模型,可以近似认为,照射光较强(如白天)时电阻几乎为0;照射光较弱(如黑天)时电阻接近于无穷大.利用光敏电阻作为传感器,借助电磁开关,可以实现路灯自动在白天关闭,黑天打开.电磁开关的内部结构如图所示.1、2两接线柱之间是励磁线圈,3、4两接线柱分别与弹簧片和触点连接.当励磁线圈中电流大于50mA时,电磁铁吸合铁片,弹簧片和触点分离,3、4断开;电流小于50mA时,3、4接通.励磁线圈中允许通过的最大电流为100mA.
(1)利用下表中的器材设计一个自动控制路灯的电路,在虚线框内画出电路图.
| 序号 | 器材描述 1 光敏电阻R1,符号 ![]() 2 灯泡L:额定电压36V,额定功率40W 3 电磁开关:符号 ![]() 4 蓄电池E:电动势36V,内阻不计; 5 保护电阻R2 6 开关S、导线若干 |


参考答案:(1)电路原理如图所示.
(2)已知励磁线圈中允许通过的最大电流为Im=100mA,电阻为R=200Ω,由欧姆定律得:最大电压为Um=ImR=20V.
由题得知,励磁线圈电流范围为50mA-100mA,根据欧姆定律得
保护电阻R2的最大值为Rmax=EImin-R2=360.05-200=520Ω,最小值为Rmin=EImax-R2=360.1-200=160Ω
故保护电阻R2的阻值范围为160~520Ω.
故答案为:
(1)电路原理如图所示.
(2)20,160~520
本题解析:
本题难度:一般
2、计算题 如图所示,U形导线框MNQP水平放置在磁感应强度B=0.2T的匀强磁场中,磁感线方向与导线框所在的平面垂直,导线MN和PQ足够长,导轨间距L为0.5m,横跨在导线框上的导体棒ab的质量m=0.01Kg,电阻r=0.1 Ω,接在NQ间的电阻R=0.4 Ω,电压表为理想电表,其余电阻不计。若导体棒在F=0.2N水平外力作用下由静止开始向左运动,不计导体棒与导线框间的摩擦。求:
(1)金属棒运动的最大速度vm多大?此时电压表的示数U是多少?
(2)金属棒的速度V=Vm/4时,金属棒的加速度a为多少?
(3)若在金属棒运动达到最大速度的过程中棒前进了5m,则这个过程整个电路所产生的热量Q是多少?
(4)若某一时刻撤去水平外力,则从该时刻起,通过导体棒的电荷量为0.1C时,此过程中导体棒的位移是多大?(设此过程棒还未停止运动)
参考答案:解:(1)匀速运动时,物体速度达到最大值,此时物体受力平衡
F=BIL? ①
? ②
①②得Vm=10m/s
(2)物体在匀速之前,为加速度逐渐减小的加速运动
F-BIL=ma? ③
?④
?⑤
③④⑤得
(3)(4)“略”
本题解析:
本题难度:一般
3、选择题 如图所示,匀强磁场方向垂直于线圈平面,先后两次将线圈从同一位置匀速地拉出有边界磁场,第一次速度v1=v,第二次速度v2=2v,则

[? ]
参考答案:AB
本题解析:
本题难度:一般
4、选择题 如图所示,图中“×”表示磁感线的方向垂直纸面向里,当导体ab向左运动时,(ab与cd、ef的接触处都能通电),小磁针( )
A.一定转动
B.一定不转动
C.可能转动,也可能不转动
D.无法判断
参考答案:A
本题解析:导体ABCDA组成一个闭合电路,根据感应电流产生条件可得,导体AB向左运动时切割磁感线运动,有感应电流产生,当这个电流通过螺线管时,管内产生磁场,通电螺线管附近的磁场对小磁针作用,使其发生转动,故A正确
考点:考查了感应电流产生条件
本题难度:一般
5、选择题 如图所示,A为电磁铁,B为铁芯,C为套在铁芯B上的绝缘磁环.现将A、B、C放置在天平的左盘上,当A中通有电流I时,C悬停在空中,天平保持平衡.当增大A中电流时,绝缘磁环C将向上运动.在绝缘磁环C上升到最高点的过程中,若不考虑摩擦及空气阻力,则下列描述正确的是( )
A..环C的速度先增大后减小
B..环C的加速度一直减小
C..环C到达最高点后将保持静止
D..由于A、B、C为系统内部作用,所以天平将一直保持平衡
参考答案:A
本题解析:
本题难度:一般