时间:2017-11-05 17:53:24
1、选择题 如图所示,在U-I图象上,a、b、c各点均表示该电路中的一个确定的工作状态,α=β=45°,则下列说法正确的是
[? ]
A.在b点时,电源有最小的输出功率
B.在b点时,电源的总功率最大
C.从a→b,β增大,电源的总功率和输出功率都增大
D.从b→c,β增大,电源的总功率和输出功率都减小
参考答案:D
本题解析:
本题难度:一般
2、简答题 如图所示,是将滑动变阻器作为分压器用的电路,A、B为分压器的输出端,滑动变阻器的总阻值为R=120Ω,负载电阻的阻值也是R,电源电压为U-20V且保持恒定,求:
(1)输出端UAB的取值范围;
(2)当滑动片P位于变阻器的中央时,输出电压UAB等于多少.
参考答案:(1)由图,变阻器下部分电阻与负载电阻R并联后再与上部分电阻串联,当滑动触片向下移动时,并联部分电阻减小,输出电压减小,则滑动触片滑到最下端时,输出电压最小为0.当滑动触片滑到最上端时,最大为20V,所以输出端UAB的取值范围为0≤UAB≤20V.
(2)当滑动片P位于变阻器的中央时,变阻器下部分电阻与负载R并联的电阻为R并=R2?RR2+R=R3,输出电压UAB=R3R3+R2U=25×20V=8V
答:
(1)输出端UAB的取值范围是0≤UAB≤20V;
(2)当滑动片P位于变阻器的中央时,输出电压UAB等于8V.
本题解析:
本题难度:一般
3、选择题 如图所示电路中,电源电动势为E,线圈L的电阻不计.以下判断正确的是( )
A.闭合S瞬间,R1、R2中电流强度大小相等
B.闭合S,稳定后,R1中电流强度为零
C.断开S的瞬间,R1、R2中电流立即变为零
D.断开S的瞬间,R1中电流方向向右,R2中电流方向向左
参考答案:A、闭合S瞬间,线圈L与R1并联与R2串联,则通过R2中电流强度大于通过R1中电流强度大小;故A错误.
B、由于线圈L的直流电阻不计,闭合S,稳定后,R1被短路,R1中电流强度为零.故B正确.
C、D断开S的瞬间,电容器放电,R2中电流不为零,线圈中电流减小,产生自感电动势,相当于电源,R1中电流过一会儿为零.故C错误.
D、断开S的瞬间,电容器放电,R2中电流方向向左,由于自感,根据楞次定律可知,R1中电流方向向右,故D正确.
故选BD
本题解析:
本题难度:一般
4、选择题 某企业的光电报警系统原理如图所示,电源内阻不可忽略,R1为半导体热敏电阻(阻值随温度升高而降低),R2为锰铜合金制成的可变电阻.当发现灯泡L的亮度逐渐增强时,可能的原因是( )
A.R1的温度逐渐降低
B.R1的温度逐渐升高
C.R2的阻值逐渐增大
D.R2的阻值逐渐减小
参考答案:当发现灯泡L的亮度逐渐增强时,灯泡中的电流逐渐增大,可能的原因是R1的阻值减小,其温度升高;也可能R2的阻值增大,外电路总电阻增大,干路电流减小,电源的内电压减小,路端电压增大,灯泡中的电流逐渐增大,导致灯泡L的亮度逐渐增强.故BC正确,AD错误.
故选BC
本题解析:
本题难度:简单
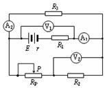
5、选择题 如图所示,图中的四个电表均为理想电表,当滑动变阻器滑动触点P向右端移动时,下面说法中正确是?(?)
A.伏特表V1的读数减小,安培表A1的读数减小
B.伏特表V1的读数增大,安培表A1的读数增大
C.伏特表V2的读数减小,安培表A2的读数增大
D.伏特表V2的读数增大,安培表A2的读数减小
参考答案:D
本题解析:略
本题难度:一般