时间:2017-11-05 17:53:24
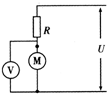
1、选择题 氧化锡传感器主要用于汽车尾气中一氧化碳浓度的检测.它的电阻随一氧化碳浓度的变化而变化,在如图所示的电路中,不同的一氧化碳浓度对应着传感器的不同电阻,这样,显示仪表的指针就与一氧化碳浓度有了对应关系,观察仪表指针就能判断一氧化碳是否超标.有一种氧化锡传感器,其电阻的倒数与一氧化碳的浓度成正比,那么,电压表示数U与一氧化碳浓度C之间的对应关系正确的是( )
A.U越大,表示C越大,C与U成正比
B.U越大,表示C越小,C与U成反比
C.U越大,表示C越大,但是C与U不成正比
D.U越大,表示C越小,但是C与U不成反比
参考答案:电压表示数U与一氧化碳浓度C之间的对应关系为
U=IR0=Ek1C+R+R0?R0.
由公式可知,U越大,则C越大,但U和C不成正比;故C正确;
故选C.
本题解析:
本题难度:简单
2、计算题 如图所示,R为电阻箱,V为理想电压表。当电阻箱读数为R1=2Ω时,电压表读数为U1=4V;当电阻箱读数为R2=5Ω时,电压表读数为U2=5V。求电源的电动势E和内阻r。 
参考答案:解:由闭合电路欧姆定律:
,
联立上式并代入数据解得:
,
本题解析:
本题难度:一般
3、简答题 有一起重机用的直流电动机,如图所示,其内阻?r=0.8Ω,线路电阻?R=10Ω,电源电压?U=150V,伏特表示数为110V,求:
(1)通过电动机的电流
(2)输入到电动机的功率P入
(3)电动机的发热功率PT,电动机输出的机械功率.
参考答案:(1)对电阻R,根据欧姆定律得
? I=U-UMR=150-11010A=4A
电动机与电阻R串联,则通过电动机的电流为4A.
(2)电动机的输入功率是P入=UMI=110×4W=440W
(3)电动机的发热功率PT=I2r=42×0.8W=12.8W,
根据能量转化和守恒定律得
电动机输出的机械功率P机=P入-PT=440W-12.8W=427.2W
答:
(1)通过电动机的电流是4A;
(2)输入到电动机的功率P入是440W;
(3)电动机的发热功率PT和电动机输出的机械功率分别是12.8W和427.2W.
本题解析:
本题难度:一般
4、实验题 (10分)某中学物理实验室里有一块量程为500 μA,内阻R约为200 Ω的电流表(也称微安表),现需要准确测量它的内电阻R。 一同学根据实验室现有的器材设计了如图所示的实验电路。
电路中部分器材的规格如下:
未校准的电流表(也称毫安表)mA:量程1 mA,内阻约为100 Ω。
滑动变阻器R1:20 Ω,? 1 A。
电阻箱R2:999.9 Ω。
直流电源E: 电动势3 V, 内阻很小。
根据所设计的实验电路的原理图,回答下列问题:
(1)为了保证实验操作过程的安全(即不论滑动变阻器R1的滑动头如何调节,都不会烧坏电表),下列定值电阻R3的阻值最合适为?
A.200
? B.400
? C.600
? D.800
(2)把实验步骤补充完整。
a、闭合开关之前应将滑动变阻器R1的滑动触头调到其?位置(填“最左端”或“最右端” )
b、将S1闭合,将S2置向1端闭合,调节滑动变阻器使微安表满偏,记下此时毫安表的读数I;
c、将S2置?,滑动变阻器滑动头的位置保持不变,调节?使毫安表的读数仍为I,读出此时电阻箱的读数为R;
d、则Rg=?。
参考答案:(1)(B);(2)最左端; 拨向2;? R2 ;? R .( 每空2分)
本题解析:(1)当变阻器的滑片调到最右端时,
,解得R3的阻值近似为400
故选B
(2)a、闭合开关之前应将滑动变阻器R1的滑动触头调到其最左端,使分压部分电压为零
c、利用替代法,将S2置于2,滑动变阻器滑动头的位置保持不变,调节R2使毫安表的读数仍为I
d、则Rg=R
故答案为:最左端; 2;? R2 ;? R
本题难度:一般
5、选择题 在如图所示的电路中,电源的电动势为E、内阻为r,
、
为理想电流表和电压表.在滑动头P自a端向b端滑动的过程中,下列说法中正确的是( )
参考答案:图中电阻R2与R3并联后再与R1串联;在滑动头P自a端向b端滑动的过程中,R3进入电路的电阻减小,电路的总电阻减小,根据闭合电路欧姆定律,电路的总电流I增加,故I(r+R1)变大,并联电路电压U并=E-I(r+R1)减小,R2上的电压减小,R2上的电流也就减小,故R3上的电流变大,电流表读数变大,R1上电压变大,电压表示数变大,C与R2并联,C上电压变小,由C=QU可知Q变小,综上,ABC均错误,D正确;
故选D.
本题解析:
本题难度:一般