时间:2017-11-05 17:47:29
1、选择题 有5个完全相同的灯泡连接在理想变压器的原副线圈中,如图所示。若将该线路与交流电源接通,且开关S接在位置1时,5个灯泡发光亮度相同;若将开关S接在位置2时,灯泡未烧坏,则下述可能的是

[? ]
参考答案:AC
本题解析:
本题难度:一般
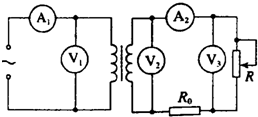
2、选择题 如图所示是街头变压器通过降压给用户供电的示意图.变压器的输入电压是市区电网的电压,负载变化时输入电压不会有大的波动(V1的示数不变).输出电压通过输电线输送给用户,两条输电线的总电阻用R0表示,变阻器R代表用户用电器的总电阻,当用电器增加时,相当于R的值减小(滑动片向下移).如果变压器上的能量损失可以忽略,当用户的用电器增加时,图中各表的读数变化情况为( )
A.A1的示数不变
B.A2的示数变大
C.V2的示数变大
D.V3的示数变大
参考答案:理想变压器的输出电压是由输入电压和匝数比决定的,由于输入电压和匝数比不变,所以副线圈的输出的电压也不变,所以V2的示数不变,所以C错误;
当用电器增加时,相当于R的值减小,电路中的总的电阻减小,所以电流要变大,即A2的示数变大,所以B正确;
由于副线圈的电流变大,电阻R0消耗的电压变大,又因为V2的示数不变,所以V3的示数变小,所以D错误;
由于变压器的输入的功率和输出的功率相等,由于副线圈的电阻减小了,输出的功率变大了,所以原线圈的输入的功率也要变大,因为输入的电压不变,所以输入的电流要变大,所以A1的示数变大,所以A错误.
故选B.
本题解析:
本题难度:简单
3、选择题 为了监测变电站向外输电情况,要在变电站安装互感器,其接线如图所示.两变压器匝数分别为n1、n2和n3、n4,a和b是交流电表.则( )
A.n1>n2
B.n3>n4
C.a为交流电流表,b为交流电压表
D.a为交流电压表,b为交流电流表
参考答案:A、由图可知,a并联在电路中是电压互感器,电路中是强电压,通过变压器变成弱电压,用电压表测量,因为电压之比等于线圈匝数比,所以n1>n2,故A正确;
B、b串联在电路中是电流互感器,电路中是强电流,通过变压器变成弱电流,用电流表测量,因为电流之比等于线圈匝数的倒数比,所以n3<n4,B错误;
C、a是电压表,b为电流表,C错误D正确;
故选:AD
本题解析:
本题难度:一般
4、选择题 汽车消耗的主要燃料是柴油和汽油。汽油机工作时,汽缸中汽油和空气的混合气靠火花塞点燃的。但是汽车蓄电池的电压只有12 V,直接使用不能使火花塞中产生火花,因此,要使用如图所示的点火装置,此装置的核心是一个变压器,该变压器的原线圈通过开关连到蓄电池上,副线圈接到火花塞的两端,开关由机械控制,通过开关的断开或闭合,能在副线圈中产生10000 V以上的电压,这样就能在火花塞中产生火花了。下列关于该装置的说法正确的是( ? )
A.当开关闭合时,其指示灯会立即变亮
B.要使点火装置点火,其开关是由闭合到断开
C.接该变压器的原线圈的电源必须是交流电源,否则就不能在副线圈中产生高压
D.汽油机的点火装置中变压器的副线圈匝数必须远小于原线圈的匝数
参考答案:B
本题解析:
本题难度:一般
5、选择题 如图为理想变压器,其原、副线圈的匝数比为2:1,原线圈接有交流电压u=220sin100
t V;图中电压表和电流表均为理想交流电表,Rt为负温度系数的热敏电阻(即当温度升高时,阻值减小),R1为定值电阻,C为电容器.下列说法正确的是(?)
A.电压表示数是110V
B.交流电的频率为100 Hz
C.通过R1的电流始终为零
D.当Rt处温度升高时,电压表示数不变,电流表示数变大
参考答案:D
本题解析:由u=220sin100
t知原线圈的电压的最大值为220V,有效值为
V,
得U2=50
V,电压表示数是有效值即为U2,A错;由
得f=50Hz
B错;当电路接通时,电容器在充电的过程中,充电电流经过R1,此时通过R1的电流不为零,C错;
当Rt处温度升高时,其阻值减小,但两端的电压始终为副线圈两端的电压即电压不变,由
知,电流增大,D对。
本题难度:简单