时间:2017-11-05 17:36:23
1、选择题 如图所示的电路,电源的电动势E=20 V,内电阻r=2 Ω,定值电阻R1=18 Ω,滑动变阻器的阻值可在0~50 Ω之间调节,闭合开关S,调节R2的阻值,变阻器R2消耗的最大功率为

[? ]
参考答案:A
本题解析:
本题难度:一般
2、选择题 如图所示,水平放置的光滑平行金属导轨上有一质量为m的金属棒ab.导轨的一端连接电阻R,其它电阻均不计,磁感应强度为B的匀强磁场垂直于导轨平面向下,金属棒ab在一水平恒力F作用下由静止开始向右运动.则( )
A.随着ab运动速度的增大,其加速度也增大
B.外力F对ab做的功等于电路中产生的电能
C.外力F对ab做的功等于金属棒增加的动能
D.当ab做匀速运动时,外力F做功的功率等于电路中的电功率
参考答案:A、金属棒在水平方向受到恒力F和安培力两个力的作用,随着速度增大,安培力增大,由牛顿第二定律得知,加速度减小.故A错误.
B、C根据功能关系得知:外力F对ab做的功等于电路中产生的电能与金属棒增加的动能之和.故BC错误.
D、当ab做匀速运动时,恒力F等于安培力,则外力F做功的功率等于电路中的电功率.故D正确.
故选D
本题解析:
本题难度:简单
3、选择题 下列说法正确的是(?)
A.串联电路各个电阻消耗的电功率与它们的电阻成正比
B.并联电路各个电阻消耗的电功率与它们的电阻成正比
C.串联电路上消耗的总功率等于各个电阻消耗的功率之和
D.并联电路上消耗的总功率不等于各个电阻消耗的功率之和
参考答案:AC
本题解析:串联电路各个电阻消耗的电功率
,并联电路各个电阻消耗的电功率
,无论怎样的连接方式电路中消耗的总功率等于各个电阻消耗的功率之和。
本题难度:简单
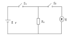
4、计算题 如图所示电路中,电源内阻r=2Ω,电动机内电阻R=1Ω,当S1闭合,S2断开时,电源电功率P=80W,电源的输出功率P0=72W,当S1和S2均闭合时,电动机正常工作,流过定值电阻R0的电流I0=1.5A。求:
(1)电源电动势E和定值电阻R0
(2)电动机正常工作时输出功率P出
参考答案:(1) E=40V R0="18Ω" ,(2) P=110W
本题解析:(1) 由
可得,
,则
(Ω); 有
(A),
(V)。
(2)设电流中总电流为
、电动机的支路电流为
,由于
与电动机并联,电动机与
两端电压相同,
(V),由
得,
(A),
=
(A),则有
(W)。
考点:本题考查了全电路欧姆定律、电功率的概念
本题难度:一般
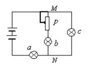
5、选择题 如图所示,a、b、c三盏灯都能发光,且在电路变化时,灯不会烧坏。试判断:当滑动变阻器的触头P向下移动时:
A.外电路的总电阻变小
B.总电流变小
C.a灯变亮
D.c灯变亮
参考答案:AC
本题解析:据图可知,当滑动变阻器滑片向下滑动时,相当于滑动变阻器被短接部分变大,未短接部分减小,则滑动变阻器阻值减小,外电路总电阻与其中之一电阻的变化一致,所以外电阻总电阻变小,A选项正确;据
,总电流变大,B选项错误;a灯接在干路,总电流变大,则a灯变亮,C选项正确;据“串反并同”c灯与滑动变阻器并联,c灯电流、电压变化与滑动变阻器阻值变化一致,则c灯变暗,D选项错误。
本题难度:一般