时间:2017-11-05 17:34:36
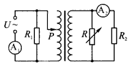
1、选择题 一台理想变压器的原、副线圈的匝数比是5∶1,原线圈接入电压为220V的正弦交流电,各元件正常工作,一只理想二极管和一个滑动变阻器R串联接在副线圈上,如图所示,电压表和电流表均为理想交流电表。则下列说法正确的是
A.原、副线圈中的电流之比为5∶1
B.电压表的读数约为44V
C.若滑动变阻器接入电路的阻值为20 Ω,则1 分钟内产生的热量为2904 J
D.若将滑动变阻器的滑片向上滑动,则两电表读数均增大
参考答案:C
本题解析:理想二极管的作用是正向的电流通过时电阻很小,反向的电流通过时电阻很大,认为断路,故理想二极管的作用是只允许正向的电流通过,再根据变压器的原理电压与匝数成正比,电流与匝数成反比,即可求得结论。由于原、副线圈中的电流与匝数成反比,所以电流之比为1:5,A选项错误;原、副线圈的电压与匝数成正比,所以副线圈两端电压为U2=44?V,但二极管具有单向导电性,根据有效值的定义有
,从而求得电压表两端电压有效值为U=22
V,B选项错误;则1?min内产生的热量为
=2904 J,C选项正确;将滑动变阻器滑片向下滑动,接入电路中的阻值变大,但对原、副线圈两端的电压无影响,即电压表的读数不变,电流表的读数变小,所以D错误。
本题难度:一般
2、选择题 如图所示,一理想变压器与定值电阻R1、理想电流表A1共同接入电压恒为U的交流电源上,原线圈接入电路的匝数可以通过调节滑动触头P来改变,副线圈连接了滑动变阻器R、定值电阻R2和理想电流表A2,则
[? ]
A.若保持R不变,将触头P向上滑动,则A1的读数变小,A2的读数变小
B.若保持P位置不动,增大R,则R2的电功率变大,R1的电功率不变
C.若保持P位置不动,增大R,则A1的读数减小,A2的读数不变
D.若保持R不变,将触头P向下滑动,则电源U的总功率变小
参考答案:AC
本题解析:
本题难度:一般
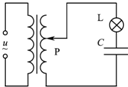
3、选择题 如图所示,理想变压器原线圈接有交流电源,当副线圈上的滑片P处于图示位置时,灯泡L能发光.要使灯泡变亮,可以采取的方法有( )
A.向下滑动P
B.增大交流电源的电压
C.增大交流电源的频率
D.减小电容器C的电容
参考答案:A、向下滑动P,副线圈匝数减少,电压减小,A错误;
B、增大交流电源的电压,副线圈两端电压也增大,B正确;
C、增大交流电源的频率通过电容器的电流更大,C正确;
D、减小电容器C的电容,增加了容抗,通过灯泡的电流减小,灯泡变暗,D错误;
故选BC
本题解析:
本题难度:简单
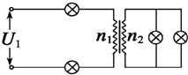
4、选择题 如图,电路中有四个完全相同的灯泡,额定电压均为U,额定功率为P,变压器为理想变压器,现在四个灯泡都正常发光,则变压器的匝数比n1:n2为,电源电压U1为( )
A.1:2?2U
B.1:2?4?U
C.2:1?4?U
D.2:1?2?U
参考答案:设灯泡正常发光时,额定电流为I0.由题图可知,原线圈中电流I原=I0,副线圈中两灯并联,副线圈中电流I副=2I0,U副=U,根据理想变压器的基本规律:I原n1=I副n2得n1:n2=2:1;U原:U副=n1:n2得U原=2U,所以U1=4U.C项正确.
故选C
本题解析:
本题难度:简单
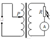
5、选择题 如图所示,理想变压器的原线圈接有频率为 f、电压为 U 的交流电,副线圈接有光敏电阻 R、交流电表A。下列说法正确的是?
A.当 U增大时,变压器的输入功率增大 ?
B.当 f减小时,变压器的输入功率减小
C.当光照增强时,交流电表A的示数减小 ?
D.当滑动触头 P向下滑动时,交流电表A的示数增大
参考答案:AD
本题解析:当 U 增大时,根据
可知,变压器次级电压增大,次级消耗的功率变大,则变压器的输入功率增大,选项A 正确;当f减小时,输入电压和输出电压不变,输出功率不变,故变压器的输入功率不变,故选项B错误;当光照增强时,光敏电阻R的值减小,交流电表A的示数增大,选项C 错误;当滑动触头 P向下滑动时,根据
可知,变压器次级电压变大,则交流电表A的示数增大,选项D正确。
本题难度:一般