时间:2017-11-05 17:21:14
1、选择题 一个矩形金属框MNPQ置于xOy平面内,平行于x轴的边NP的长为d,如图(a)所示.空间存在磁场,该磁场的方向垂直于金属框平面,磁感应强度B沿x轴方向按图(b)所示正弦规律分布,x坐标相同各点的磁感应强度相同.当金属框以大小为v的速度沿x轴正方向匀速运动时,下列判断正确的是( )
A.若d=l,则线框中始终没有感应电流
B.若d=
| 1 2 |
| 1 2 |
| 1 4 |
| 31 2 |
| 1 v |

2、选择题 下列说法正确的是(?)
A.导体做切割磁感线运动,导体内一定会产生感应电流
B.电磁感应现象中,感应电流的磁场总是跟原来的磁场方向相反
C.只要闭合线圈在磁场中转动,就一定能产生感应电流
D.穿过闭合线圈的磁通量发生变化,线圈中一定有感应电流
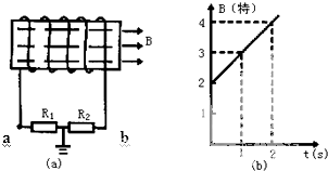
3、简答题 如图甲所示,带有微小开口(开口长度可忽略)的单匝线圈处于垂直纸面向里的匀强磁场中,线圈的直径为d=
2
(1)线圈AB两端的电压大小为多少? (2)在前2秒内电阻R上的发热量Q为多少? ![]() 4、选择题 法拉第发现了磁生电的现象,不仅推动了电磁理论的发展,而且推动了电磁技术的发展,引领人类进入了电气时代.下列哪些器件工作时与磁生电的现象有关(? ) 5、简答题 如图(a)、(b)所示,分别为螺线管绕线与向右磁场变化规律,已知螺线管匝数n=1500匝,S=20cm2,电阻r=1.5Ω,电阻R1=3.5Ω,R2=2.5Ω.则电阻R2消耗的电功率为多少?,a点的电势多大? |