时间:2017-11-05 16:43:48
1、选择题 关于电流的概念,下列说法中正确的是( )
A.导体中有电荷运动就形成电流
B.电流是一个矢量,其方向就是正电荷定向运动的方向
C.在国际单位制中,电流是一个基本物理量,其单位安培是基本单位
D.对于导体,只要其两端电势差为零,电流也必为零
参考答案:C
本题解析:
本题难度:一般
2、选择题 把电荷移近不带电导体,可以使导体带电,这种现象,叫做
A.摩擦起电
B.感应起电
C.接触起电
D.都不是
参考答案:C
本题解析:试题分析:把电荷移近不带电导体,可以使导体带电,这种现象,叫做接触起电,故选C
考点:考查起电方式
点评:本题难度较小,掌握并理解三种起电方式
本题难度:一般
3、选择题 如图所示电路中白炽灯A、B不亮,但电路中只有一处断开。今用电压表测得Uab=0,Uac=6V,Ubd=6V,Ucd=0,则可知? 
[? ]
A、B灯断
B、A灯断
C、R断
D、电源断
参考答案:C
本题解析:
本题难度:一般
4、选择题 通过一个电阻的电流是5A,经过4min,通过该电阻的一个截面的电量是( )
A.20C
B.50C
C.1200C
D.2000C
参考答案:C
本题解析:
本题难度:简单
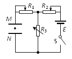
5、选择题 在如图所示的电路中,R1、R2、R3均为可变电阻。当开关S闭合后,两平行金属板MN中有一带电液滴正好处于静止状态。现将R3变大,则以下判断正确的是?(?)
A.液滴将向下运动
B.电容器将继续充电
C.有从左到右的瞬时电流流过R1
D.电容器上的带电量将增大
参考答案:BD
本题解析:R3变大,电流变小,内电压和R2两端电压变小,R3电压大,电容器充电,B对。有从右到左的瞬时电流流过R1,C错。场强变大,电场力变大,向上运动,A错。
,电量增大,D对。
本题难度:简单