时间:2017-11-05 16:42:16
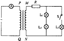
1、选择题 如图所示a、b间接人正弦交流电,变压器右侧部分为一火灾报警系统原理图,R2为热敏电阻,随着温度升高其电阻变小,所有电表均为理想电表,电流表A2为值班室的显示器,?显示通过R1的电流,电压表V2显示加在报警器上的电压(报警器未画出),R3为一定值电阻。当R2所在处出现火情时,以下说法中正确的是(? )
A.V1的示数不变,V2的示数减小
B.V1的示数减小,V2的示数减小
C.A 1的示数增大,A 2的示数增大
D.A 1的示数减小,A 2的示数减小
参考答案:A
本题解析:理想变压器原副线圈电压表等于匝数比,原线圈电压决定副线圈电压,在匝数比没有变化和输入电压不变情况下,原线圈电压
即电压表
示数不变,副线圈电压不变。
处出现火灾温度升高,电阻变小,并联电阻
变小,副线圈总电阻
变小,副线圈总电流
变大,根据
,副线圈总电流增大,原线圈电流即
增大,副线圈总电流增大,
电压增大,并联电压
即电压表
减小,
的电阻不变,电压减小电流即
示数减小,对照选项A对BCD错。
本题难度:一般
2、选择题 如图所示,理想变压器的副线圈上通过输电线接有三只灯泡L1、L2和L3,输电线的等效电阻为R,原线圈接有一个理想的电流表,电源电压大小不变.开始时开关S接通,当S断开时,以下说法正确的是( )
A.原线圈两端P、Q间的输入电压减小
B.等效电阻R上消耗的功率变大
C.原线圈中电流表示数变小
D.灯泡L1和L2变亮
参考答案:当S断开后,副线圈上的总电阻增大,电流减小,所以输出功率变小,原线圈电流变小,输电线上电压损失减小,电阻R上的电压减小,功率变小,总的输出电压不变,所以灯泡L1和L2两端电压增大,功率增大,故B错误,C、D正确.
电流表是理想的电流表,所以原线圈两端P、Q间的输入电压不变,所以A错误.
故选CD.
本题解析:
本题难度:简单
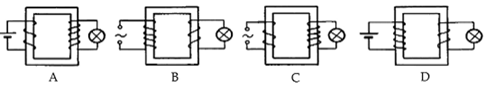
3、选择题 下图中,可以将电压升高给电灯供电的变压器是
参考答案:C
本题解析:变压器不能升高直流电流的电压,AD错误;根据变压器电压与匝数成正比,
,则升压变压器的原线圈匝数应小于副线圈匝数,B错误;C正确。
本题难度:简单
4、选择题 如图所示为一理想变压器,原副线圈的匝数之比为1:n,副线圈接一定值电阻R,则( )
A.若ab之间接直流电压U,则R中的电流为
| nU R |
| n2U R |
| U nR |

参考答案:变压器不能改变直流电压的电压,所以当原线圈接直流电压时,副线圈无电流,但原线圈有电流,故AB选项错误;当原线圈电压为U时,则副线圈 91Exam.org输出电压为nU,副线圈电流为nUR,又因为原副线圈电流之比与匝数成反比,可得原线圈电流为n2UR,故C选项正确D错误.
故选C
本题解析:
本题难度:一般
5、简答题 如图所示,接于理想变压器中的三个规格相同的灯泡A、B、C都正常发光,试求:(1)理想变压器的原副线圈匝数比n1:n2为多少?
(2)若仅将B、C改为串联,输入电压U不变,则此时三个灯泡的功率之比多大?
参考答案:
(1)由于三个灯泡均正常发光,所以变压器的输出电流I2与输入电流I1之比为2:1
则有:n1n2=I2I1=2:1
(2)当B、C串联时,流过它们的电流相等,它们的功率之比为:PB=PC
此时流过B、C的电流等于变压器的输出电流I′2,流过A的电流等于变压器的输入电流I′1,
所以:I′2:I′1=2:1
故A、B灯泡的功率之比:PA:PB=1:4,
所以三个灯泡的功率之比为:PA:PB:PC=1;4:4.
本题解析:
本题难度:一般