时间:2017-09-26 10:40:44
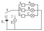
1、选择题 (6分)如图所示,A、B、C为三个相同的灯泡,a、b、c为与之串联的三个元件,E1为直流电源,E2为交流电源。当开关S接“1”时,A、B两灯均正常发光,C灯不亮。S接“2”时,A灯仍正常发光,B灯变暗,C灯正常发光。由此可知,a元件应是?b元件应是?c元件应是 ?。(选填“电阻”“电容”“电感”) 
2、填空题 如图所示,电路中三个完全相同的灯泡a、b和c分别与电阻R、电感L和电容C串联,当电路两端接入220V、50Hz的交变电压时,三个灯泡的亮度恰好相同。若保持交变电压大小不变。只将频率增大到60Hz,亮度变亮灯泡是____________。 
3、选择题 在收音机线路中,经天线接收下来的电信号既有高频成份,又有低频成份,经放大后送到下一级,需要把低频成份和高频成份分开,只让低频成份输送到再下一级,我们可以采用如图所示电路,其中a、b应选择的元件是( ? )
A.a是电容较大的电容器,b是低频扼流圈
B.a是电容较大的电容器,b是高频扼流圈
C.a是电容较小的电容器,b是低频扼流圈
D.a是电容较小的电容器,b是高频扼流圈
4、简答题 科学技术是一把双刃剑.电磁波的应用也是这样.它在使人类的生活发生日新月异变化的同时也存在副作用——电磁污染.频率超过0.1 MHz的电磁波的强度足够大时就会对人体构成威胁.按照有关规定,人体所受到的电磁辐射强度(即单位时间内垂直通过单位面积的电磁波的能量)不得超过某一规定值Ie.已知某无线通信设备发射电磁波的功率为P,设该通信设备向四面八方均匀地发射电磁波,且电磁波在传播过程中无能量损失.由数学知识可知,球面的面积S=4πr2(式中r为球半径),球半径与球面总是垂直的.根据上述资料,可估算出人体到该通信设备发射电磁波处的安全距离至少应为,这时人体所受到的电磁辐射强度才不会超过规定值.
5、选择题 如图,L是直流电阻为零、自感系数很大的线圈,A和B是两个相同的小灯泡,某时刻闭合开关S,通过A、B两灯泡中的电流IA、IB随时间t变化的图象,正确的是( )
A.
B.
C.
D.
