时间:2017-09-26 10:01:40
1、选择题 如右图所示,边长为L,总电阻为R的正方形线框放置在光滑水平桌面上,其右边紧靠磁感强度为B、宽度为2L、方向竖直向上的有界匀强磁场的边缘.现使线框以初速度v0匀减速通过磁场,下列图线中能定性反映线框从进入到完全离开磁场的过程中,线框中感应电流随时间变化关系的是( )
A.
B.
C.
D.

参考答案:A、线框做匀减速运动,通过相等位移L的时间越来越长.故A错误
?B、C、D设时刻t时线框的速度为v,加速度大小为a,则v=v0-at
? 感应电动势E=BLv
? 感应电流I=ER=BL(v0-at)R
? 可见,I与t是线性关系.故B正确,C、D错误.
故选B.
本题解析:
本题难度:一般
2、选择题 如图所示的电路中,滑动变阻器的滑片P从a滑向b的过程中,3只理想电压表的示数变化的绝对值分别为△U1、△U2、△U3,下列各值可能出现的是( )
A.△U1=3V、△U2=2V、△U3=1V
B.△U1=1V、△U2=3V、△U3=2V
C.△U1=0.5V、△U2=1V、△U3=1.5V
D.△U1=0.2V、△U2=1V、△U3=0.8V
参考答案:滑动变阻器的滑片P从a滑向b的过程中,变阻器接入电路的电阻减小,电路中电流增大,电灯两端的电压U2增大,路端电压U1减小,则变阻器两端电压U3减小.由于U1=U2+U3,U1减小,则知△U2>△U3,△U1<△U2,所以△U1=1V、△U2=3V、△U3=2V;△U1=0.2V、△U2=1V、△U3=0.8V是可能的,△U1=3V、△U2=2V、△U3=1V;△U1=0.5V、△U2=1V、△U3=1.5V不可能.故BD正确,AC错误.
故选BD
本题解析:
本题难度:一般
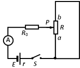
3、填空题 在如图所示电路中,电源电动势E=6V,内阻r=1Ω,保护电阻R0=3Ω,滑动变阻器总电阻R=20Ω,闭合电键S,在滑片P从a滑到b的过程中,电流表的最大示数为________A,滑动变阻器消耗的最大功率为________W。 
参考答案:
本题解析:当滑动变阻器滑到b端时电流表的示数最大
当滑动变阻器的阻值
时滑动变阻器消耗的功率最大,其值为2.25W。
本题难度:简单
4、计算题 某直流电动机额定电压是220V,正常工作电流是2.5A, 内部线圈电阻是0.4Ω。求:
(1)该电动机的额定功率和正常工作时线圈的发热功率?
(2)该电动机正常工作时突然被卡住不转,此时电动机的发?热功率为多大?
参考答案:(1)550W? 2.5W? (2)1.21×105W
本题解析:(1)电动机的额定功率P=UI=220V×2.5A=550W;线圈的发热功率
。
(2)若电动机正常工作时突然被卡住不转,则有
。
本题难度:简单
5、选择题 如图所示为不同闭合电路中的两个电源的U-I图线,下列判断正确的是( )
A.电动势E1=E2,发生短路时的电流I1=I2
B.电动势E1=E2,内阻r1>r2
C.电动势E1>E2,内阻r1<r2
D.当两电源的工作电流变化量相同时,电源2的路端电压变化大
参考答案:A、B、C、根据闭合电路欧姆定律,有:E=U+Ir,故U=-rI+E;
故U-I图象的纵轴截距表示电动势,横轴截距表示短路电流,斜率的绝对值表示内电阻;
故E1=E2,发生短路时的电流I1>I2,内阻r1<r2;
故ABC均错误;
D、当两电源的工作电流变化量△I相同时,电源的路端电压变化△U=Ir,由于内阻r1<r2,故电源2的路端电压变化大,故D正确;
故选D.
本题解析:
本题难度:一般