时间:2017-09-26 09:55:18
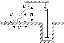
1、简答题 图中,AB=AC=H,开始时绳AC处于竖直方向,小车从静止出发在水平路面上运动到B点时速度为v,在此过程中绳子对挂在井底、质量为m的物体做了多少功?
2、选择题 如图所示,直线OO′为某电场中的一条电场线,电场方向由O指向O′.一带电粒子沿该电场线运动,途经距离为S的A、B两点过程中,所用的时间为t,经A、B中间位置的速度为v1,经过A、B中间时刻的速度为v2,则下列判断中正确的是( )
A.若OO′为匀强电场中的一条电场线,且粒子带正电,则v1>v2
B.若OO′为匀强电场中的一条电场线,且粒子带负电,则v1<v2
C.若OO′为位于O点的正点电荷产生的电场中的一条电场线,且粒子带正电,则v1>v2
D.若OO′为位于O′点的负点电荷产生的电场中的一条电场线,且粒子带正电,则v1<v2
3、计算题 如图所示,两个四分之一圆弧形的光滑轨道AB、CD和粗糙水平轨道BC之间光滑连接。AB弧的半径为R,CD弧的半径为0.7R。BC间距离为3R。质量为m的滑块P(可视为质点)从AB弧的上端从静止释放,第一次通过C点后恰好能到达CD弧的最高点D。重力加速度为g。求:
小题1:滑块与水平轨道BC间的动摩擦因数
;
小题2:从释放到停止运动滑块在水平轨道BC上滑动的总路程s;
小题3:滑块P第一次到达两圆弧最下端的B点和C点时对圆弧轨道的压力大小之比NB:NC。
4、填空题 物体从高为0.8m的斜面顶端以7m/s的初速度下滑,滑到底端时速度恰好为零,欲使此物体由底端上滑恰好到达顶端,物体开始上滑的初速度为______m/s.(g取10m/s2)
5、选择题 质量为2kg的物体A静止在粗糙水平面上,t=0时一水平向右的的恒力F作用在A上,t=2s时撤去F,A的速度图像如图所示,则下列说法正确的是
A.F做功36
B.F做功48J
C.在0~8秒内物体A克服摩擦力做功48J
D.在0~8秒内物体A克服摩擦力做功36J