时间:2017-09-25 08:35:12
1、选择题 如图所示的振荡电路正处在振荡过程中,某时刻线圈L中的磁场和电容器C中的电场如图所示,则此时: 
A.线圈中磁感应强度正在增大
B.振荡电流达到最大值
C.电容器中的电场强度正在增大
D.电容器极板上电荷最多
参考答案:C
本题解析:本题考查的是电磁振荡电路的问题。由图可知:电容器中的电场强度正在增大,线圈中的磁感应强度正在减小,振荡电流的数值在增大,电容器基板上的电荷在增加,所以C答案正确,ABD答案错误。
本题难度:一般
2、选择题 两个相同的白炽灯泡L1和L2接到如图1所示的电路中,灯L1与电容器串联,灯L2与电感线圈串联.当a、b间接电压最大值为Um、频率为f的正弦交流电源时,两灯都发光,且亮度相同.更换一个新的正弦交流电源后,灯L1的亮度低于灯L2的亮度.新电源两极的电压最大值和频率可能是? ( )
A.最大值仍为Um,而频率大于f
B.最大值仍为Um,而频率小于f
C.最大值大于Um,而频率仍为f
D.最大值小于Um,而频率仍为f
参考答案:B
本题解析:当将a、b接在电压最大值为Um、频率为f的正弦交流电源E1两极之间时,两只灯泡都发光,且亮度相同.而更换一个新电源后,灯L2的亮度高于灯L1的亮度,则说明线圈的感抗比电容器的容抗小,那么新电源的频率小,最大电压值仍不变.
当电容器的电容越小,频率越低时,容抗越高;而线圈的自感系数越大,频率越高时,感抗越高.
本题难度:简单
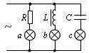
3、选择题 如图所示,三只完全相同的灯泡a、b、c分别与电阻R、电感L、电容C串联,再将三者并联,接在220V,50Hz的交变电压两端,三只灯泡亮度相同。若将交变电压改为220V,25Hz,则(? )

参考答案:C
本题解析:
本题难度:简单
4、选择题 某同学为了验证自感现象,自己找来带铁芯的线 圈L(线圈的自感系数很大,构成线圈导线的电阻可以忽略)、两个相同的小灯泡A和B、开关S和电池组E,用导线将它们连接成如图所示的电路。经检查,各元件和导线均是完好的,检查电路无误后,开始进行实验操作。他可能观察到的现象是
A.闭合S瞬间,A比B先亮
B.闭合S瞬间,B比A先亮
C.断开S瞬间,A比B先熄灭
D.断开S瞬间,B比A先熄灭
参考答案:A
本题解析:从实物图中我们可以看出两个小灯泡是并联状态,其中自感线圈和B灯泡串联,当闭合开关的瞬间,通过B的电流增大,自感线圈产生感应电流阻碍电路电流增大,所以B是逐渐亮起来,而A灯泡不受影响,故A比B先亮,A正确,B错误;当断开开关的瞬间,电流电流减小,自感线圈要阻碍电流的减小,产生与原电流方向相同的感应电流,所以B灯泡是缓慢熄灭,而A是立即熄灭,故CD错误,
本题难度:一般
5、选择题 在收音机线路中,经天线接收下来的电信号既有高频成份,又有低频成份,经放大后送到下一级,需要把低频成份和高频成份分开,只让低频成份输送到再下一级,可以采用如图所示电路,其中a、b应选择的元件是(?)
A.a是电容较大的电容器,b是低频扼流圈
B.a是电容较大的电容器,b是高频扼流圈
C.a是电容较小的电容器,b是低频扼流圈
D.a是电容较小的电容器,b是高频扼流圈
参考答案:D
本题解析:电容是通高频,阻低频,电感线圈是通低频,阻高频;所以元件a要让高频信号通过,阻止低频信号通过,故元件a是电容较小的电容器;元件b要让低频信号通过,阻止高频信号通过,故元件b是高频扼流圈.
故选:D
点评:电容器具有通高频、阻低频的作用,这样的电容器电容应较小.电感线圈在该电路中要求做到通低频、阻高频,所以它是一个高频扼流圈,其自感系数应该较小
本题难度:一般