时间:2017-09-25 08:34:51
1、填空题 如图是一种测通电螺线管中磁场的装置,把一个很小的测量线圈A放在待测处,线圈与测量电量的电表Q串联,当用双刀双掷开关K使螺线管的电流反向时,测量线圈中就产生感应电动势,从而引起电荷的迁移,由Q表测出移动电荷电量为q,就可以算出线圈所在处的磁感强度B.已知测量线圈共有N匝,直径为d,它和Q表串联电路的总电阻为R,则被测处的磁感强度B=______.
参考答案:当用反向开关S使螺线管里的电流反向流动时,穿过小线圈的磁通量的变化量是:
△Φ=2BS
产生的感应电动势:E=n△?△t
感应电流:I=ER与I=qt
可得:q═N?△?R
解得:△?=qRN
而△Φ=2BS
所以:B=qR2Nπ(d2)2=2qRNπd2
故答案为:2qRNπd2
本题解析:
本题难度:一般
2、选择题 某一实验装置如左图所示,在铁芯上绕着两个线圈P和Q,如果线圈P中的电流i随时间t的变化关系有如下图所示的四种情况,则在线圈Q中不能观察到的感应电流的是(? )
参考答案:A
本题解析:当电流恒定时,产生恒定的磁场,Q中磁通量不发生变化,不能产生感应电流,A正确。BCD图象的电流均能产生电流,不正确
本题难度:简单
3、选择题 如图,一端接有定值电阻的平行金属轨道固定在水平面内,通有恒定电流的长直绝缘导线垂直并紧靠轨道固定,导体棒与轨道垂直且接触良好。在向右匀速通过
两区的过程中,导体棒所受安培力分别用
、
表示。不计轨道电阻。以下叙述正确的是
向右 B.
向左 C.
逐渐增大 D.
逐渐减小
参考答案:BCD
本题解析:根据楞次定律(来拒去留),导体棒在M区和N区受安培力的方向都向左,B正确,A错误;根据法拉第电磁感应定律,可知导体棒所受安培力大小
,由于距离导线越近,磁场的磁感强度B越大,在M区导体棒向右运动过程中,磁感强度逐渐增大,安培力
逐渐增大,在N区磁感强度逐渐减小,导至安培力也逐渐减小,C、D都正确。
考点:楞次定律,法拉第电磁感应定律
本题难度:一般
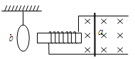
4、选择题 如图所示,当金属棒a在处于磁场中的金属轨道上运动时,金属线圈b向左摆动,则金属棒a? (? ) 
A.向左匀速运动
B.向右减速运动
C.向左加速运动
D.向右加速运动
参考答案:CD
本题解析:金属线圈b向左摆动,根据来拒去留原则,通过线圈的磁通量增大,即线圈中的感应电流增大,所以根据楞次定律可得a棒做加速运动,CD正确,匀速运动,线圈的电流恒定不变,AB错误
故选CD
点评:关键是根据b的运动判断线圈中电流的大小变化,在判断a的运动情况
本题难度:一般
5、填空题 应用楞次定律判断感应电流的方向时,首先要 ;其次是 ;然后依据楞次定律 ;最后 。
参考答案:明确原磁场的方向; 判断原磁通量的变化(增减)情况;判断感应电流的磁场方向; 用安培定则判断感应电流的方向 。
本题解析:明确原磁场的方向; 判断原磁通量的变化(增减)情况;判断感应电流的磁场方向; 用安培定则判断感应电流的方向
本题难度:一般