时间:2017-09-25 08:13:44
1、简答题  如图,变压器的原线圈接到220V的交流电源上,副线圈有两个,副线圈2?的匝数n2=30匝,与一个标有“22V,22W”的灯泡组成闭合回路,且灯泡L正常发光,副线圈3的输出电压U3=110V,与电阻R组成闭合回路,通过电阻R的电流强度为0.4A,求:
(1)副线圈3的匝数n3;
(2)原线圈匝数n1;及流经原线圈的电流强度I1.
2、计算题  如图所示,甲图为一理想变压器,其原副线圈匝数比n1∶n2=10 ∶1.当原线圈接乙图所示的正弦交流电.副线圈接负载电阻R=10Ω。 电压表、电流表均为理想表。求:
(1)原线圈两端电压的瞬时表达式;
(2)理想电压表及电流表读数分别是多少?
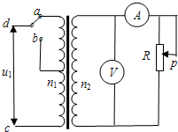
3、选择题  如图所示,理想变压器原、副线圈的匝数比为10:1,b是原线圈的中心抽头,电压表和电流表均为理想电表,从某时刻开始在原线圈c、d两端加上交变电压,其瞬时值表达式为u1=220style="shiti/data:image/png;base64,iVBORw0KGgoAAAANSUhEUgAAAA0AAAAgCAIAAABGu2XDAAAAp0lEQVQ4je2SsQ3DIBREbwuP4YKOBTwFDQUbMAQNYhQaNnHzxQJs8VPEIcgyhs6KlCvhiX/HP/Cc8DiHe1Vo6r1f4sqeliPkkvbS42hb9fvSKwEIuuQoRvpOIwH4SEN/JD6j7ziKXig/zFv0ulUPXS45W8N2OYpeu9SeQIZ84lpbzMUqW5gBmJZLTp8KdfyLAWTI473lICHD1H5NU9g7juf7MtSfu9YLfL8+YCMSgg4AAAAASUVORK5CYII=" alt="">sin100πt(V),则(  )
A.当单刀双掷开关与a连接时,电压表的示数为22V
B.当t=style="shiti/data:image/png;base64,iVBORw0KGgoAAAANSUhEUgAAABgAAAAsCAIAAADw/u8UAAAA60lEQVRIie2UsRnEIAiF3xaMYeEQN4UNO9wQNs6Shk3SuAFbeIXRI8kVyRe783Uq/AgKKIOECXoKksiAzw9BKXgAA0CllLykCfpTkETGJpJVH93ouiboAmiYht3oD0DKjgD4kPqZrkJ11prNqjaFv62DsnUmOMreOPtml4K3pxK5onUVai0NXYV+9WS3PjjYADYG2NE7xnMK+1tkD6Qln6BFIpNjLQUEeoW3too0Z2VH1fOwzEuqnluEtoTdTcG35TOQMVJ2tE9tq8thZvZSwlbaFvh2sU06O4vbz9+/Itq7dN3+kEM0QRM0Qh/cFAPlIO+BUAAAAABJRU5ErkJggg==" alt="">s时,c、d间的电压瞬时值为110V
C.单刀双掷开关与a连接,在滑动变阻器触头P向上移动的过程中,电压表和电流表的示数均变小
D.当单刀双掷开关由a扳向b时,电压表和电流表的示数均变小
4、填空题  如图所示是一个理想变压器,A1、A2分别为理想的交流电流表,V1、V2分别为理想的交流电压表,R1、R2、R3均为电阻,原线圈两端接电压一定的正弦交流电源,现闭合开关S,交流电表V1读数变__________ ,A1读数变__________( 填“变大”“变小”“不变”) 。
5、选择题  如图所示,理想变压器原、副线圈的匝数比为10:1,b是原线圈的中心抽头,电压表和电流表均为理想交流电表,除滑动变阻器的电阻R外,其余电阻均不计.在原线圈c、d两端加上交变电压,其瞬时值表达式为u1=220 sin100πt(V).下列说法正确的是(  )
sin100πt(V).下列说法正确的是(  )
A.该交流电的频率为100Hz
B.当单刀双掷开关与a连接时,电压表的示数为22V
C.单刀双掷开关与a连接,滑动变阻器触头P向上滑动的过程中,电压表和电流表的示数均变小
D.当单刀双掷开关由a扳向b时,电压表和电流表的示数均变大